

在过去的100多年中,电力系统的发电、变电、输电荷配电系统都是三相系统。因此,大多数交流电机采用三相结构。然而,随着电机功率的逐渐加大和某些特殊场合对电机可靠性要求的提高,三相电机开始面临挑战。多相电机应运而生。
多相电机的有两个显著特点:
1、相数多,相同功率下单相电流小,降低了电机和驱动器设计难度。如:六相直驱同步风力发电机已得到广泛应用。
2、多相冗余,即便某一相出现故障,还能正常运行,提高电机可靠性。如:十五相新型感应电机特别适合舰船电力推进系统。
用于五相、六相、十二相、十五相等多相电机功率测量的多相功率分析仪的接线及原理与三相功率分析仪有所不同,但基本原理类似。因此,本文先讲述三相功率分析仪的接线及原理。
三相功率分析仪的接线包括两表法和三表法两种方式。
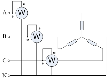
三相功率分析仪的三表法接线较容易理解,分别测量每相的有功功率Pa、Pb、Pc,而三相总功率P=Pa+Pb+Pc。每一相都有明确的物理意义,Pa、Pb、Pc分别代表负载A、B、C相消耗的功率。
图1为三相功率分析仪的三表法接线原理图,由图可知,三表法测量需要有四个节点,A、B、C三相节点之外,还需要中性点N。三表法一般用于三相四线制的功率测量。

图1 三相功率分析仪的三表法接线
三相功率分析仪的两表法用于三相三线制的功率测量。两表测量三相功率的基本原理是基尔霍夫电压定律和基尔霍夫电流定律。
在Y连接的三相电路中,记ia(t)、ib(t)、ic(t)分别为三相电流的瞬时值,根据基尔霍夫电流定律,有:
ia(t)+ib(t)+ic(t)=0 (1)
记uab(t)、ucb(t)为线电压的瞬时值,uan(t)、ubn(t)、ucn(t)为相电压的瞬时值,根据基尔霍夫电压定律,有:
uab(t)=uan(t)-ubn(t) (2)
ucb(t)=ucn(t)-ubn(t) (3)
记pa、pb、pc分别为A、B、C相功率的瞬时值,p为三相功率的瞬时值,有:
p(t)=pa(t)+pb(t)+pc(t)=uan(t)*ia(t)+ubn(t)*ib(t)+ucn(t)*ic(t) (4)
由式(1)得:
ib(t)=-ia(t)-ic(t)
上式代入式(4),有:
p(t)=uan(t)*ia-ubn(t)*ia-ubn(t)*ic+ucn(t)*ic(t)=[uan(t)-ubn(t)]*ia(t)+[ucn(t)-ubn(t)]*ic(t)
式(2)、(3)代入上式,有:
p(t)=uab(t)*ia(t)+ucb(t)*ic(t) (5)
式(5)就是三相功率分析仪两表法测量原理。
对于三角形接法的三相电路,采用星三角等效变换原理,可以得到同样的结论。其中ia(t)和ic(t) 在Y连接中,既是相电流,也是线电流,在△连接中,表示线电流。
依据式(5),得到三相功率分析仪两表法接线如下:

图2 三相功率分析仪的两表法接线
值得注意的是,三相功率分析仪的两表法并不是三表法的简化测量方法,三表法和两表法的接线方式主要取决于被测电路:
a、三表法应用的前提是有四个节点。实际应用可以是下述情况下的任意一种:
三相四线制;
三相三线制,被测端采用星型连接并且中性点可以引出;
三相三线制,被测端采用星型连接但中性点不可引出,可采用三个等值阻抗采用星型连接虚构中性点;
三相三线制,被测端采用三角形连接,没有中性点,可采用三个等值阻抗采用星型连接虚构中性点。
b、两表法应用的前提是只有三根电流线。
两表法只能用于三相三线制;
对于采用变频器供电的电机,若载波频率较高,由于杂散电容泄露电流的存在,会影响功率测量的准确度。但是,这个问题并非采用三表法就可以解决。(详细参见银河文库_浅谈变频电机试验的功率测量)。
c、两表法与三表法选用与三相电路是否平衡无关。
类似三相电机,五相功率分析仪依据五相电机的中性线是否存在且连接(有电流),分为下述两种接线方式:
当五相电机具有中性点且中性点未引出时(无电流),利用基尔霍夫电流定律,采用四个瓦特表可以测量出五个电压和五个电流,从而计算出五相电机的总功率,其推导方法与量表法类似。
当五相电机具有中性点且中性点有连接时(有电流),应采用五块瓦特表分别测量每一相的功率,结果求和。
六相电机可以分为两种情况,第一种是六相是采用两套独立的星形连接的三相绕组,两个中性点不相连,第二种情况是六个绕组共用一个中性点。
每种情况又包含两种测量方法,因此,六相功率分析仪共有四种接线方式:
两套独立三相绕组时,就测量而言,两套绕组相当于两台三相电机,分别对两套绕组采用三相功率分析仪的两表法进行测量,结果求和,需要四个瓦特表。
六个绕组共用一个中性点时,且中性点未作连接时(无电流),利用基尔霍夫电流定律,采用五个瓦特表可以测量出六个电压和六个电流,从而计算出六相的总功率,其推导方法与量表法类似。
两套独立三相绕组时,就测量而言,两套绕组相当于两台三相电机,分别对两套绕组采用三相功率分析仪的三表法进行测量,结果求和,需要六个瓦特表。
六个绕组共用一个中性点时,且中性点有连接时(有电流),可采用六块瓦特表分别测量每一相的功率,结果求和。
十五相电机根据绕组连接方式一般可分为五套独立三相绕组或三套五相独立绕组或一套十五相绕组三种情况,十五相功率分析仪接线主要有下述四种方式:
五套独立三相绕组时(中性点独立且无任何连接),相当于五套独立的三相功率分析仪的二瓦特表法,结果求和,共需要十个瓦特表。
三套独立五相绕组时(中性点独立且无任何连接),相当于三套独立的五相功率分析仪的四瓦特表法,结果求和,共需要十二个瓦特表。
一套十五相绕组时,若中性点未作任何连接(无电流),利用基尔霍夫电流定律,采用十四个瓦特表可以测量出十五个电压和十五个电流,从而计算出十五相电机的总功率,其推导方法与量表法类似。
一套十五相绕组时,若中性点有连接(有电流),可采用十五块瓦特表分别测量每一相的功率,结果求和。
对于读数稳定的稳态测量,多相功率分析仪可以分为多组分别进行测量。对于读数不稳定的瞬态测量,多相功率分析仪的每个万特表(或功率单元)之间应该有同步测量机制保证多相之间为同步测量。
WP4000变频功率分析仪单台最多支持六个功率单元,每台功率分析仪可通过同步光纤进行严格同步采样,单台功率分析仪可实现上述的三相功率分析、五相功率分析仪及六相功率分析仪的任何一种连接方式。一台WP4000变频功率分析仪采用两表法测量相当于三台三相功率分析仪。采用两台或三台WP4000变频功率分析仪可构建十五相功率分析仪。
上述连接方式不能囊括实际工程应用中的所有连接方式,然而,只要真正理解三相功率分析的两表法和三表法接线方式和原理,并融会贯通,不但可轻松构建五、六、十五相等任意相数电机功率分析仪,还可最大限度简化测试电路。
上一篇:民族骄傲之国产功率分析仪
下一篇:功率分析仪的原理、分类及用途