

一问题的提出
目前的市面上的多相功率分析仪,一般可连接4个、6个甚至更多的功率单元。
连接相同数量功率单元的功率分析仪,实际测量能力并不一定相同,为什么呢?
测量一个单相两线的单相回路,只需要一个功率单元。

测量一个三相三线的三相回路,可以只用两个功率单元。

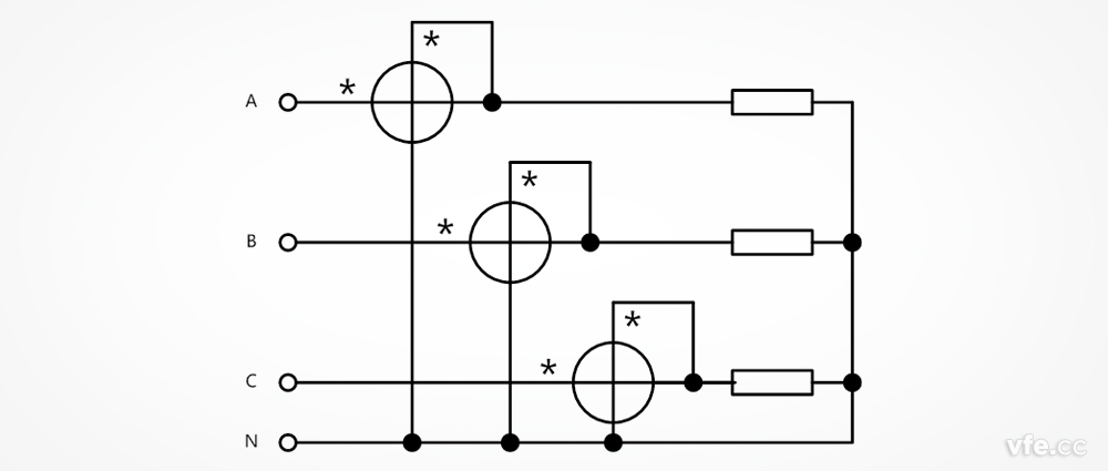
测量一个三相四线的三相回路,需要三个功率单元。

三相三线输入、三相三线输出的交直交变频器,要求同时测量输入和输出时,理论上4个功率单元即可满足测试需要。
问题来了,是不是配置四个功率单元的功率分析仪就一定可以同时测量变频器的输入和输出呢?
答案是否定的!
目前大多数四相功率分析仪对于三相变频器推荐接线方式是:一个功率单元用于测量直流母线,另外三个功率单元用于测量三相交流输出。
这种接线方式忽略了两个问题:
第一, 三相交流变频器输出本来可以只用两个功率单元进行测量。
第二, 这种方案更加适合直流输入的逆变器,对于三相交流输入的变频器而言,只测量直流母线,并不能完整反映变频器的效率和输入谐波等重要参数。
厂家为何这样推荐?
原因在于,该功率分析仪配置4个功率单元时,只允许有两种接线方式:
第一、 测量4个单相两线(1P2W)的单相回路。
第二、 测量1个单相两线(1P2W)的单相回路和一个三相四线(3P4W)的三相回路。
配置两个功率单元时,同样只允许有两种接线方式:
第一、测量2个单相两线(1P2W)的单相回路。
第二、测量一个三相三线(3P3W)的三相回路。
当然,配置4个功率单元时,可以忽视后面的两个功率单元。
这样,该功率分析仪可以扩展到4种接线方式。
而不论用哪种测量方式,单相单线和三相三线不能同时使用,并且不能同时测量两个或两个以上的三相回路。
您或许或疑惑,为何厂家要作这样的限制?
这是有原因的,因为测量两个三相回路时,需要两个同步源,而该功率分析仪只有一个同步源。基于这个原理,该仪器配置四个功率单元时,还可以扩充的接线方式应该是:测量一个单相两线的单相回路和一个三相三线的三相回路,这种方式实际上更适合三相逆变器的测试需要。遗憾的是:厂家并未开放该测量模式。
二解决方案
WP4000的灵活接线方式体现在:WP4000最多可连接6个功率单元,并且每个功率单元都可以是同步源,这样,不论采用何种接线方式,只要总单元数在6个以内,都可以实现同时测量。
比如说:
同时测量两个三相四线的三相回路(变压器输入输出测试)

变压器输入输出测试接线原理图
同时测量三个三相三线的三相回路(双馈风力发电机的定子、转子和电网三侧同时测量);

双馈电机测试接线原理图
同时测量一个单相双线的单相回路和两个三相三线的交流回路(交直交变频器的三相输入、直流母线和三相输出)。

变频器测试原理图
三结论
灵活接线图的核心是强大的同步源系统,而非简单的软件功能!市面上大多数功率分析仪仅仅只有一个或者两个同步源,局限于此,这类功率分析仪接线方式也有非常大局限性。要想功率分析仪接线方式灵活,WP4000这种每路功率单元配置一个同步源的方式是最好的选择。
上一篇:间接测量比直接测量更加准确?
下一篇:原始数据对于测量的重要性