当前位置:首页产品问答 │ 功率表测量用互感器接线注意事项

功率表测量用互感器接线注意事项

  • 浏览次数:13378次
  • 发布时间:2013/10/17 15:23:01
  • 作者:hb_yinhe

  银河电气可以用于互感器测量的功率表有DT数字变送器DMC分布式测控系统电量测量子站DP800数字功率计AP系列变频功率标准表,各种功率表测量互感器接线方式类似,其三相功率表测量互感器接线方式为通用的三相功率接线方法,使用简单方便。

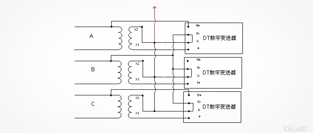
  以下为DT数字变送器两表法测量原理图,Uab、Ubc利用电压互感器直接测量,Uca根据矢量运算得到,Ia、Ib、Ic均利用电流互感器直接测量,DT数字变送器测量互感器的副边电压和电流,经过WP4000变频功率分析仪的数据处理和运算得到三相功率,DT数字变送器与WP4000变频功率分析仪采用光纤通讯。

功率表测量互感器接线图
功率表测量互感器接线图
  上图为一个典型的电压电流均采用互感器测量的测量原理图,功率表测量互感器接线采用两表法。由于互感器原边与副边已是电气隔离,所以互感器可以保护接地。但是如果是电压直测、电流使用互感器的情况,再将电流互感器保护接地,就会发生故障。
DT211数字变送器
DT数字变送器

上图为一个型号为DT211的DT数字变送器,DT数字变送器内部电路处理已经将Iin-、Uin-与壳体设计为等电位,所以在使用功率表测量互感器接线时,需要注意互感器的保护接地情况。

  1:在电压直测、电流全使用互感器的情况下,由于互感器本身是电气隔离的,互感器接地不会对系统造成影响;

  2:在电压直测、电流使用互感器的情况下,一旦电流互感器保护接地,就相当于相电压直接接地,导致短路发生故障。下图可以很明显看出,一旦电流互感器接地,A、B、C三相电压直接接入地线;

互感器接线原理图2

电压直测电流用互感器测量原理图

  3:在电压使用互感器、电流直测的情况下,一旦电压互感器接地,相当于将电流直接接入大地,同样会造成故障。

互感器不接地对系统的影响:

互感器接地的目的是为了保护二次侧的安全,互感器出现特殊故障的主要现象有两个:

  1:互感器本身的绝缘出现问题,导致一次侧电压进入二次侧发生安全事故

  2:互感器二次侧开路,导致二次侧产生高压发生安全事故;

银河电气功率表测量互感器接线对这两种故障的应对:

  1:如果互感器本身的绝缘出现问题,相当于一次侧电压直接进入DT数字变送器,因为电压测量本身就是DT数字变送器直接测量,所以不会出现安全问题

  2:DT数字变送器本身的隔离电压为2Un+1000V,万一电流互感器二次侧开路瞬时的大电压也不会对其他部件造成影响;

  3:DT数字变送器的采用的是光钎传输,采取了光电隔离,任何安全问题不会进入其他部件,最多也只会对DT数字变送器造成影响;

 


Copyright 2010-2017 , All Rights Reserved 子夜无人免费观看 版权所有 湘ICP备09002592号-5