当前位置:首页产品问答 │ SP系列变频功率传感器接线图详解

SP系列变频功率传感器接线图详解

  • 浏览次数:15523次
  • 发布时间:2014/3/12 11:29:45
  • 作者:银河电气

SP系列变频功率传感器简介

  SP系列变频功率传感器是AnyWay系列变频功率分析仪的主要功率单元,属于数字量输出测量用变频电量变送器,由变频电压传感器、变频电流传感器及相关测量元件构成。每个传感器可连接一路电压信号和一路电流信号。
变频功率传感器 
图1. 变频功率传感器外观图

功率表接线回顾

 功率表接线图
图2. 功率表接线图
  图2展示了两种功率表接线图。当功率表的电流表内阻及线路阻抗可忽视时,两种功率表接线图效果一样。当电流表内阻及线路阻抗不可忽视时,若关注的是电源输出功率,采用左侧功率表接线图,并且测试电压线连接点尽可能靠近电源连接端子;若关注的是负载消耗功率时,采用右侧功率表接线图,并且测试电压线连接点尽可能靠近负载连接端子。

SP系列变频功率传感器接线端子说明

  SP系列变频功率传感器接线端子与功率表接线端子类似。
SP系列变频功率传感器接线端子说明
图3. SP系列变频功率传感器接线端子说明
  如图3所示:SP系列系列变频功率传感器接线端子包括:一个电流输入端子(正极)、一个电流输出端子(负极)、两个电压输入端子、辅助电源端子和光纤通讯接口。
  SP系列变频功率传感器采用铜排作为电流输入和输出端子,标注“*”的一侧为电流输入端子,接电源端;另一侧为电流输出端子,接负载端。
  SP系列变频功率传感器采用红色和黑色的插座为电压测试端子,标注“*”的红色插座为电压正端,连接电源正极,黑色插座为电压负端,连接电源负极。
  SP系列变频功率传感器的辅助电源输入为50/60Hz,AC100V~260V,可兼容50Hz和60Hz及110V和220V的市电。
  SP系列变频功率传感器采用浮地设计,壳体与电流端子等电位,带电状态不可触碰。
  SP系列变频功率传感器的光纤通讯接口包含一个同步采样控制的接收端RXD和一个采样数据上传的发送端TXD。

SP系列变频功率传感器接线举例

  SP系列变频功率传感器接线功率表接线类似。本节列出的变频功率传感器接线图均考虑测量负载功率,因此,电压测试端子连接均靠近负载侧。

1单相电功率测量接线图

单相电功率测量时的SP系列变频功率传感器接线图
图4. 单相电功率测量时的SP系列变频功率传感器接线图

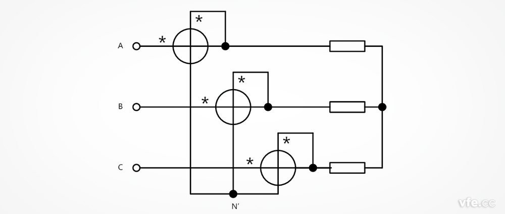
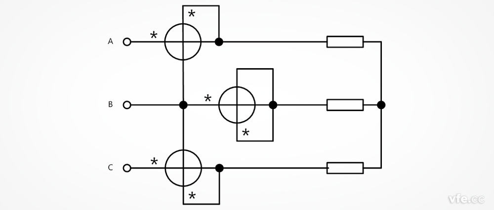
2三相三线制电功率测量接线图

  三相三线制电功率测量包括三种接线方式:
  参见图5,第一种接线方式采用最常见的二瓦计法。二瓦计法测量三相功率的理论依据是基尔霍夫电压定律和基尔霍夫电流定律。
  参见图6,第二种接线方式在第一种基础上增加了一个电流表,用于测量B相电流,该方式就测量功率而言,仍然是二瓦计法。由于安装在B相的变频功率传感器只用于测量电流,其电压测试线互相短接至电流输出端。
  注:国标GB/T1032-2012三相异步电动机试验方法中明确规定:在变频器供电电机中,当变频器开关频率较高时,考虑到电容泄露电流可能不能忽视,应该每一相都安装一个电流表。
  参见图7,第三种接线方式采用三瓦计法,由于三相三线制无中性线,利用同型号的SP系列变频功率传感器的电压端口输入内阻相同的特性构建了一个虚拟中性点N’,虚拟中性点悬空。
三相三线制电功率测量时的SP系列变频功率传感器接线图(二瓦计法)
图5. 三相三线制电功率测量时的SP系列变频功率传感器接线图(二瓦计法)
三相三线制电功率测量时的SP系列变频功率传感器接线图(GB T1032规定的方法)
图6. 三相三线制电功率测量时的SP系列变频功率传感器接线图(GB/T1032规定的方法)
三相三线制电功率测量时的SP系列变频功率传感器接线图(虚拟中性点的三瓦计法)
图7. 三相三线制电功率测量时的SP系列变频功率传感器接线图(虚拟中性点的三瓦计法)

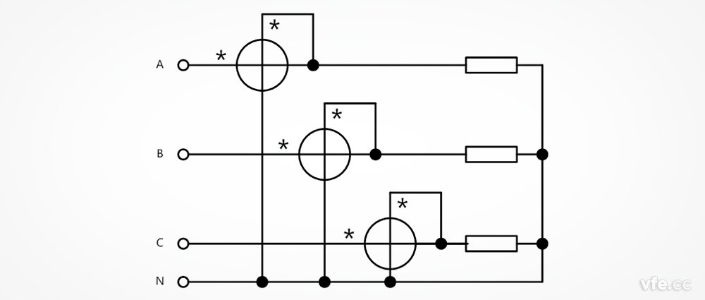
3三相四线制电功率测量接线图

三相四线制电功率测量时的SP系列变频功率传感器接线图(三瓦计法)
图8. 三相四线制电功率测量时的SP系列变频功率传感器接线图(三瓦计法)
  图8与图7的区别在于,图7中三个变频功率传感器的电压负端互联后悬空,而图8中三个变频功率传感器的电压负端互联后连接至中性线。
  作者:AnyWay中国
  子夜无人免费观看(http:/


Copyright 2010-2017 , All Rights Reserved 子夜无人免费观看 版权所有 湘ICP备09002592号-5