DT数字变送器与电压互感器接线图_V/V接线法
- 浏览次数:18654次
- 发布时间:2013/9/17 10:38:05
- 作者:cw_yinhe
【摘要】V/V接法常见于三相三线制电压互感器接线图中,本文介绍了DT数字变送器与V/V接法电压互感器的组合使用方法,该法有效避免了二次线路对互感器测量准确度的影响。
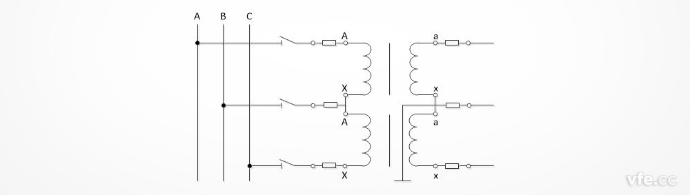
一电压互感器接线图_V/V接线
V/V接法就是将两台单相电压互感器分别接于线电压Uab、Ubc上,一次侧和二次侧接线均成V型,故而得名。其二次侧B相接地,但一次侧不接地,否则会造成接地短路。V/V接线图是常见的电压互感器接线图,其原理如图1所示。

图1.采用V/V接线法的电压互感器接线图
电压互感器V/V接线法广泛应用于中性点不接地或经消弧线圈接地的35kV及以下的高压三相系统中。V/V接法不仅能节省一台电压互感器,还能满足三相电能计量所需的线电压。这种电压互感器接线法的缺点就是不能测量相电压,无法监测系统单相接地故障。
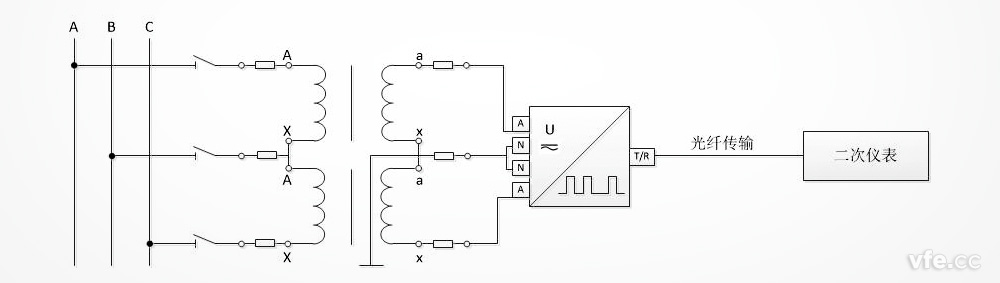
二DT数字变送器在电压互感器V/V接线法中的应用方案
测量用电压互感器的额定二次输出电压为100V,可过载至120%,即输出电压为0~120V,因此,采用量程为120V的双路电压输入DT122型数字变送器。
DT122数字变送器在电压互感器V/V接线法中的应用原理如图2所示。

图2.电压互感器接线图_DT122数字变送器在电压互感器V/V接线法中的应用
DT122数字变送器是银河电气生产的一款双通道电压测量数字变送器,其输出为数字化光纤接口。在高压三相系统中电压互感器V/V接线法中,搭配使用DT122双通道电压数字变送器测量两台电压互感器二次输出,可将电压互感器输出的模拟电压信号就地数字化,用光纤将数字信号从电压互感器处传到远处控制室。
一般采用互感器VV接法时,采用两个电压互感器和三个电压表完成三相电压的测量。DT122数字变送器通过对两个电压通道的高速交流同步采样,根据基尔霍夫电压定律,直接计算出第三相电压,一个DT数字变送器,即可实现三相电压的测量。
采用DT122数字变送器测量电压互感器二次输出电压信号的优势在于:
1、DT数字变送器可安装在互感器附近,测量信息通过光纤传输至二次仪表,缩短了互感器的二次负荷连线,有效减小了二次负荷对互感器测量准确度的影响。
2、在传统模拟信号传输中,模拟电压信号通过长导线后会产生较大的衰减和失真,从而引入误差。将电压互感器输出的模拟电压信号就地数字化后采用光纤传输,可保证信号几乎没有任何衰减和失真,避免了因长距离传输而引入误差对电压测量精度的影响。
3、信号光纤传输不会受到现场强电磁干扰的影响,可靠性高。从而避免了传输过程中信号受到干扰的问题,提高测量结果的准确度。
4、采用数字化光纤作为电压互感器二次信号传输的方式,符合数字化自动化系统的发展趋势。