

电容式电压互感器接线端子标志与普通的电压互感器类似,本文的电容式电压互感器接线端子标志均出自《GB/T 4703-2007电容式电压互感器》,供大家参考学习。
01具有一个二次绕组的单相互感器

表示具有一个二次绕组的单相互感器,A表示电容式电压互感器的一次绕组接线端子,N表示电压互感器的一次绕组接地端子。a表示电容式电压互感器的二次绕组接线端子,n表示电压互感器的一次绕组接地端子。
02具有两个二次绕组的单相互感器

表示具有两个二次绕组的单相互感器,A表示电容式电压互感器的一次绕组接线端子,N表示电压互感器的一次绕组接地端子。1a和2a表示电容式电压互感器的二次绕组接线端子,1n和2n表示电压互感器的一次绕组接地端子。
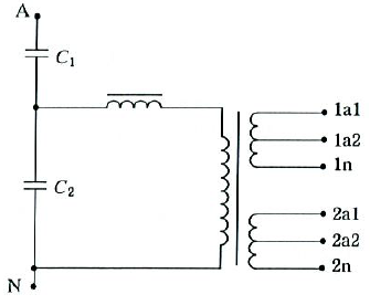
03具有两个带抽头的二次绕组的单相互感器

表示具有两个带抽头的二次绕组的单相互感器,A表示电容式电压互感器的一次绕组接线端子,N表示电压互感器的一次绕组接地端子。1a1、1a2和2a、2a2分别表示电容式电压互感器的二次绕组接线端子,1n和2n表示电压互感器的一次绕组接地端子。
04具有一个剩余电压绕组和两个二次绕组的单相互感器

表示具有一个剩余电压绕组和两个二次绕组的单相互感器,A表示电容式电压互感器的一次绕组接线端子,N表示电压互感器的一次绕组接地端子。1a1、1a2和2a、2a2分别表示电容式电压互感器的二次绕组接线端子,1n和2n表示电压互感器的一次绕组接地端子。da和dn表示剩余电压接线端子。
上一篇:三相电压互感器端子标志表示方法
下一篇:各类国家标准及国际标准代号含义