银河功率表在使用中应该注意的几个问题
- 浏览次数:8664次
- 发布时间:2014/2/10 16:13:04
- 作者:银河电气
为了避免传输过程的干扰和损耗,银河电气的功率测量仪器均是采用基于光纤传输的
前端数字化技术,
当然,银河功率表也是采用此种技术。银河功率表是银河电气研发的用于正弦信号测量的仪表,如果正确使用银河功率表,可以获得比较高精度的数据。
一、银河功率表接线需要的注意的问题
在电压直测、电流使用互感器(或者电流直测、电压使用互感器)的情况下,互感器的接地线必须悬空,不能接地,如果接地就会导致对地短路的情况出现。主要原因是银河功率表内部电路处理已经将电压、电压的地线与壳体设计为等电位,所以在使用功率表测量互感器接线时,需要注意互感器的保护接地情况。
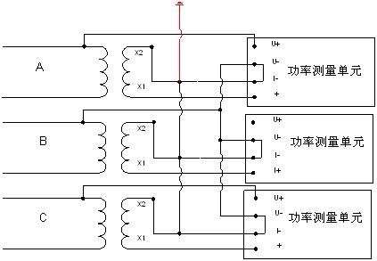
下图是一个典型的测量互感器的接线原理图:

银河功率表接线原理图
互感器不接地对系统的影响:
互感器接地的目的是为了保护二次侧的安全,互感器出现特殊故障的主要现象有两个:
1:互感器本身的绝缘出现问题,导致一次侧电压进入二次侧发生安全事故;
2:互感器二次侧开路,导致二次侧产生高压发生安全事故;
银河电气功率表测量互感器接线对这两种故障的应对:
1:如果互感器本身的绝缘出现问题,相当于一次侧电压直接进入功率测量单元,因为电压测量本身是功率测量单元直接测量,所以不会出现安全问题;
2:功率测量单元本身的隔离电压为2Un+1000V,万一电流互感器二次侧开路瞬时的大电压也不会对其他部件造成影响;
3:功率测量单元的采用的是光钎传输,采取了光电隔离,任何安全问题不会进入其他部件,最多也只会对功率测量单元造成影响;
二、功率测量单元的安装需要注意的地方
功率测量单元尽可能安装在靠近被测信号附近,也就是银河电气提出的就近安装原则,越靠近被测信号测量的不可控因素越小,银河功率表就越能测量到真实的信号。另外,功率测量单元必须安装在绝缘板上,不能接地原因还是银河功率表内部电路处理已经将电压、电压的地线与壳体设计为等电位。
任何一个仪表要想发挥它的最大功效,就必须遵循它的使用要求,遵循它的基本要求后,并且能够在使用中开发它的其他功能,那才是熟悉这个仪器。银河功率表也是尽可能将安装接线简单化,方便用户的使用,尽可能的减少不确定因素。
扩展阅读:
银河问答:功率表测量用互感器接线注意事项
银河问答:银河电气功率表接线详细接法
作者:hb_yinhe
子夜无人免费观看(http:/)