

1. 温度:水泵进口水管内液体温度(1路),备用7路,为电机绕组温度测量预留,总共8个通道,测量对象为 PT100铂电阻;
2. 压力:水泵进出口压力(2路),测量对象为压力计输出信号0-20mA标准模拟量;
3. 转速:水泵实时转速(1路);
4. 流量:管道出口流量(1路),测量对象:流量计输出信号0-20mA标准模拟量;
5. 阀门控制:3个电磁阀电动阀门控制,开关量输出控制,定点控制,触动控制;
6. 轴功率:拖动电机输出功率(水泵输入功率);
7. 电机输入功率:拖动电机输入功率,输入电压、电流、频率等电参量测量。
1. 能全面、快速、准确的采集水泵试验各项性能参数并集中显示;
2. 软件分析得出水泵效率,拖动电机效率,整个水泵机组效率;
3. 软件绘制出平滑的电机启动曲线(带水泵);
4. 采用电子轴功率测试仪测量拖动电机输出功率,也即水泵输入功率;
5. 漏磁感应法测量拖动电机异步转速;
6. 可移动式,测量方便,接线方便。
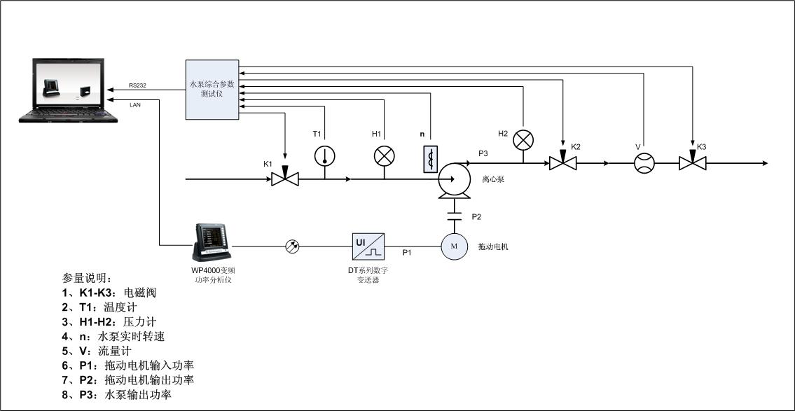
水泵机组综合参数测试方案原理图如下所示:

水泵机组综合参数测试方案
在本方案设计图中,压力计分别用于测量距水泵距离为L的进口压力及出口压力值H1、H2。流量计用于测量水泵输出的流量V。PT100铂电阻,用于测量进水口液体温度T1。漏磁感应式转速计,用于测量电机转子感应电压频率f1。DT系列数字变送器,用于测量拖动电机三相电参量,包含三相电压、三相电流、频率、功率、功率因数等。
通过本设计方案进行试验,可以得到的技术参数如下:
1、水泵转速
漏磁感应式转速计通过感应电机的漏磁,得到感应电压信号进入综合参数测量仪,测得电机转子的感应电压频率f1,定子感应电压频率f2,则水泵转速n由如下公式求出:n=电机同步转速-(f1/f2)x同步转速;
2、电机输入功率
电机输入功率由AnyWay变频功率测试系统(WP4000变频功率分析仪+DT系列数字变送器)直接测量,数据经LAN局域网通过网线或者光纤将数据传输至上位机进行实时数据显示及分析;
3、电机输出功率
电机输出功率由TN4000电子式扭矩仪进行测量,只要测量拖动电机的输入电压、电流、转速、温度等参数,就可以准确的计算出电机的输出轴功率,摒弃了传统的扭矩仪测量轴功率方式,省去了扭矩仪的安装与电机对偶等工序;
4、水泵输出功率
要测量水泵的输出功率,只要通过测量水泵进出口压力H1、H2及管道流量V,就可以通过相关公式计算出水泵在水体温度为T1、水泵转速为n的情况下的输出功率P3,水泵的输出功率计算公式为:P3=(H2-H1)/ ρg+(v^2)/2g+Z,其中ρ为液体密度,g=9.8,v为液体流速,Z为液体在两进出口压力计安装点之间的管道阻力耗能(可以对比标准表查出);
5、水泵效率η1
水泵效率η1=水泵输出功率/水泵输入功率=P3/P2;
6、电机效率η2
拖动电机的输入功率P1由变频功率测试系统测量得出,则可以求出拖动电机此时的效率η2=P2/P1,方便用户与电机的标称效率值进行对比;
7、机组效率η3
整个水泵机组的效率η3=P3/P1,用于衡量整个系统的效率;
8、启动曲线
拖动电机电参量通过网线直接传输至上位机,通过提高数据采样率及合适的数据处理方式(滑动平均处理等),软件绘制出平滑的电机(带水泵)启动曲线;
9、流量与流速控制
通过上位机软件配合水泵综合参数测试装置,可以远程实现K1-K3 3个电磁阀门的粗调与微调,实时控制管道内液体的流量与流速;
1、TN4000水泵综合参数测试仪:
集成8通道PT100温度测试(测量精度±1℃)、DT数字变送器(测量精度0.2%)、DM4022漏磁感应式转速计(测量精度0.1%)、4通道开关量控制功能。用于水泵综合参数的测量,与上位机通讯方式为RS485,采样周期为20ms/次;
2、变频功率测试系统:包含WP4000功率分析仪及DT系列数字变送器,用于拖动电机输入电压、电流、频率、功率、功率因数等电参量的测量,与上位机通讯方式为TCP/IP;
3、笔记本电脑:用于安装水泵综合参数分析软件,控制软件,显示软件,试验报表软件等;
4、其它设备: PT100铂电阻、压力计、流量计、绕线式感应线圈、信号线缆、光纤等;
本系统配置水泵综合参数分析软件,主要如下包含3大部分功能:
1、参数显示
参数显示界面上显示参量包含电机输入电参量(U、I、P等),电机输出轴功率,水泵转速,水泵输出功率,压力,流量,水泵效率,电机效率,机组效率等,(软件界面显示形式、风格多样化,用户可选择);
2、数据记录
按用户需求实时记录采集的各项参数,可以生成数据记录文档,绘制启动曲线,波形回放;
3、实时控制
控制界面上可以通过水泵综合参数测试装置,发送阀门打开与闭合指令,达到远程控制阀门,调节管道中液体流量与流速的目的。
这套水泵机组综合参数测试系统方案用于水泵机组试验具有如下特点:
1、综合全面的测量及显示水泵试验各项性能参量;
2、精确测量拖动电机的输入功率,P1;
3、电子式扭矩仪精确测量水泵的输入功率,P2;
4、实时计算水泵的输出功率,P3;
5、准确验证电机的效率η1;
6、准确测量水泵的效率η2;
7、准确测量整个水泵机组效率η3;
8、适用于绝大多数水泵机组试验。