


ω:角频率,单位rad/s;
C:电容,单位F。
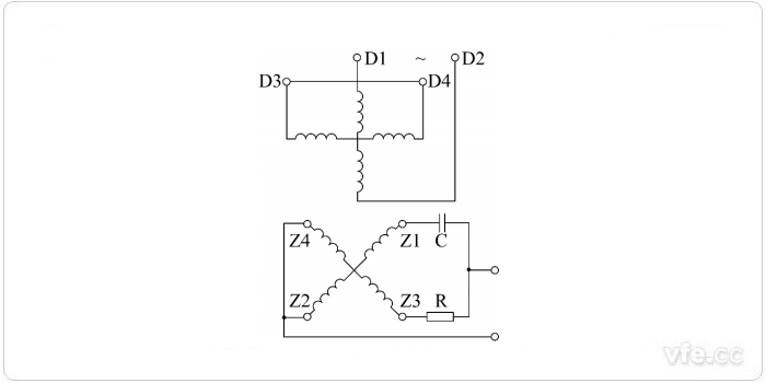
感应移相器构成在实质上与旋转变压器没有差别,仅是旋转变压器的一种特殊用法。感应移相器就是将正余弦输出绕组分别接入一个移相电阻R和一个移相电容C后并联输出,并使电阻阻值R和电容容抗 XC 相等,即式1所示。感应移相器电气原理图如图1所示。

图1:感应移相器电气原理图
如图1所示,只要所有的正余弦旋转变压器(有限转角除外),按照图1所示接入R和 C,并使R=1/ωC,就可以当做移相器进行使用。这时,正余弦旋转变压器的输出电压不再是转子转角的正余弦函数,而是恒等于1/ 正余弦函数的最大输出值,同时输出相位移与转子转角成线性函数关系。对于专用的感应移相器一般工作电压较低、频率较高。这样,感应移相器不但可获得高分辨力[移相误差(相位角对应机械角的误差)为度分级],而且可缩小体积。
感应移相器的主要技术指标是移相误差和幅值误差。
◆ 移相误差是保证伺服系统测距、测位精准度的关键;
◆ 幅值误差(幅值的稳定度)又会影响移相误差。
因此,感应式移相器在实际应用时一定要精调移相参数,以保证幅值误差在规定范围内。另外,还要做好感应移相器的零位标记(即相位零位的参考点),供用户安装、使用时参考。
根据感应移相器技术资料中提供的移相参数R和C只是一个参考值。这是因为R= 1/ωC会受到感应移相器自身绕组等效电阻、电抗及一些分布参数的影响,所以还需要在实际使用中对R和C进行精调,只有这样,才能将移相参数调到最佳,移相精度也才会达到最高。调校精调感应移相器最佳移相参数的主要方法如下:
已知移相参数是指在产品样本或从产品技术规格参数中查到该感应移相器的移相参数参考值。粗调时,根据所查到的参考值C的大小,先选定电容器,电阻则采用10 kΩ、100Ω两只多圈电位器串联,一只用作粗调,一只用作精调。因为电容器电容量的实际值与标称值存在误差,且不可平滑细调,所以常采用固定电容,调电阻的办法。调整时,感应移相器按图1接线并通电,缓慢转动转子,观察一周内感应移相器输出电压最大点和最小点的电压读数,然后调节粗调电位器,使最大输出点电压降低(或最小输出点电压升高)到输出电压最大、最小读数的平均值。如此反复多次调节后,再调节精调电位器,使一周内最大输出点电压降低到最大、最小电压的平均值。
当观察到转子转动一周,输出电压基本恒定不变,幅值误差(最大、最小电压变化值与平均值之比的百分数)满足技术要求时,R和C的值即为最佳。实际应用时,再用固定电阻替换掉电位器。
对于未知移相参数感应移相器的精调调整方法完全与已知移相参数感应式移相器一致,只是涉及到如何选择电阻和电容器的问题。
按照已知移相参数感应移相器中所述的定电容调电阻的方法,在这里应先选择一个适当容量的电容器,再按R= 1/ωC计算出R的参考值,便可进行调节。一般来说,较低频率(几千赫以下))的感应移相器,C应选择大些;较高频率(几十千赫以上)的感应移相器,C应选择小些。感应移相器频率 f(因ω= 2πf)、C 都与容抗成反比,若将低频感应移相器的电容参数选得太小,则容抗就会变得很大,R的参考值也会变得很大,由此感应移相器输出阻抗变得很大,感应移相器易受干扰。同理,若将高频感应移相器的 C选得太大,容抗会变得很小,R的参考值也会变得很小,输出阻抗变小,移相精度变差。