

与基于自然换相技术的电流源型换流器的传统直流输电不同,柔性直流输电(VSC-HVDC)是一种以电压源换流器(VSC)、可控关断器件和脉宽调制(PWM技术)为基础的新型直流输电技术。这种输电技术能够瞬时实现有功和无功的独立解耦控制、能向无源网络供电、换流站间无需通讯、且易于构成多端直流系统。另外,该输电技术能同时向系统提供有功功率和无功功率的紧急支援,在提高系统的稳定性和输电能力等方面具有优势。下面详细介绍柔性直流输电的系统结构及其基本工作原理。
如下图所示为柔性直流输电系统单线原理图,两端的换流站均采用VSC结构,它由换流站、换流变压器、换向电抗器、交流滤波器、直流电容器等部分组成。

图示:柔性直流输电系统原理示意图
1、 换流变压器:换流变压器为电压源换流器提供合适的工作电压,保证电压源换流器输出最大的有功功率和无功功率。
2、交流滤波器:因换流器输出的交流电压中可能会有一定量的高次谐波,通常应在换流母线处安装适当数量的交流滤波器,由于需要滤除的都是高次谐波,所以其体积和容量都较小,这也是柔性直流输电系统的一个技术优势。
3、 换向电抗器:是交流系统和电压源换流器之间进行功率传输的纽带,它在很大程度上决定了换流器的功率输送能力以及有功功率与无功功率的控制,同时也起到滤波的作用。
4、 电压源换流器VSC:VSC的使用是柔性直流输电区别于常规直流输电的关键部分,在桥臂中用可控电力电子管(IGBT、IGCT)取代了以往的晶闸管,使整个变流系统更加可控。
5、直流电容器:电压源换流器直流侧储能元件,为换流器提供直流电压;同时可缓冲系统故障时引起的直流侧电压波动,减少直流侧电压纹波并为受端站提供直流电压支撑。
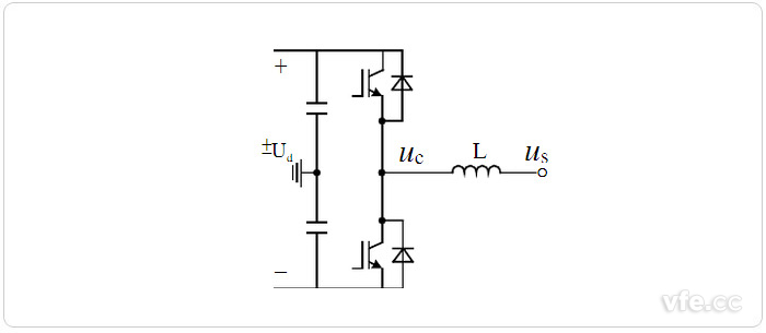
与基于晶闸管的传统直流输电技术不同,柔性直流输电采用电压源型换流器VSC和PWM技术,其基本工作原理如下图所示。由调制波与三角载波比较产生的触发脉冲,使VSC上下桥臂的开关管高频开通和关断,则桥臂中点电压uc在两个固定电压+Ud和-Ud之间快速切换,uc再经过电抗器滤波后则为网侧的交流电压us。

图示:VSC单相示意图

图示:VSC正弦脉宽调制原理及输出波形
进一步分析,在假设换流电抗器无损耗且忽略谐波分量时,换流器和交流电网之间传输的有功功率P及无功功率Q分别为:
…………(1)
…………(2)
式中:UC为换流器输出电压的基波分量;US为交流母线电压基波分量;δ为UC和US之间的相角差;X1为换流电抗器的电抗。

图示:VSC HVDC换流器稳态运行时的基波向量图
由式1、式2可以得到上图所示的换流器稳态运行时的基波相量图。由图可知,有功功率的传输主要取决于δ,无功功率的传输主要取决于UC。因此通过对δ的控制就可以控制直流电流的方向及输送有功功率的大小,通过控制UC就可以控制VSC发出或者吸收的无功功率。从系统角度来看,VSC可以看成是一个无转动惯量的电动机或发电机,几乎可以瞬时实现有功功率和无功功率的独立调节,实现四象限运行。
1. 正常运行时,VSC HVDC可以同时而且独立地控制有功功率和无功功率,甚至可以使功率因数为1,这种调节能够快速完成,控制灵活方便。而传统HVDC中控制量只有触发角,不可能单独控制有功功率或无功功率。此外,VSC HVDC不仅不需要交流侧提供无功功率而且能够起到STATCOM的作用,动态补偿交流母线的无功功率,稳定交流母线电压。这意味着故障时,如果VSC HVDC容量允许,那么系统既可向故障系统提供有功功率的紧急支援,又可提供无功功率紧急支援,从而能提高系统的功角稳定性和系统的电压稳定性。
2. VSC电流能够自关断,可以工作在无源逆变方式,所以不需要外加的换相电压,受端系统可以是无源网络,克服了传统HVDC受端必须是有源网络的根本缺陷,使利用HVDC为远距离的孤立负荷送电成为可能。
3. 潮流反转时,直流电流方向反转而直流电压极性不变,与传统HVDC恰好相反。这个特点有利于构成既能方便地控制潮流又有较高可靠性的并联多端直流系统,克服了传统多端HVDC系统并联连接时潮流控制不便、串联连接时又影响可靠性的缺点。
4. 由于VSC HVDC交流侧电流可以被控制,所以不会增加系统的短路功率。这意味着增加新的VSC HVDC线路后,交流系统的保护整定基本不需改变。
5. 模块化设计使VSC的设计、生产、安装和调试周期大大缩短。同时,VSC HVDC采用PWM技术,开关频率相对较高,经过高通滤波后就可得到所需交流电压,可以不用变压器,从而简化了换流站的结构,并使所需滤波装置的容量也大大减小。换流站的占地面积仅约同容量下传统直流输电的20%。采用新型(XLPE)直流电缆,可以直接安装在现有交流电缆管内,可以使输送容量提高约50%。
6. 换流站间的通讯不是必需的,每个站可以独立控制,易于实现无人值守。而且VSC HVDC在电网故障后快速恢复控制能力良好。