

根据定义,电流互感器中仪表保安系数,仅仅适用于测量级的电流互感器,一般推荐值为5或10。在正常工作条件下,它应符合规定的准确级要求, 以保证测量准确。 然而电力系统中使用的电流互感器往往因系统故障或操作,会有很大的过电流流过一次绕组。在这种仪表保安电流情况下则希望二次电流不再严格按比例增长,以避免二次回路所接的仪器、 仪表受到大电流冲击, 因此对测量用电流互感器提出了仪表保安系数的要求。在系统故障电流通过电流互感器时,对二次仪表起保护作用,FS越小,二次仪表越安全。
系统故障时通过短路电流引起铁芯饱和,导致励磁电流显著增加,电流互感器的传变误差加大,二次波形产生畸变,而由于电流互感器铁芯的非线性励磁特性,励磁阻抗呈现非线性,这样互感器不能以正常的误差来表示,所以引入复合误差。

图1 电流互感器的等效电路图

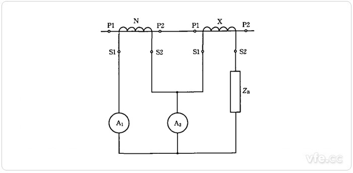
图2 电流互感器复合误差测量电路图
采用两台同样电流比的电流互感器,电流互感器N为基准互感器,电流互感器X为被测互感器。两个互感器的原边由同一个正弦波电流源供电,副边短接。如图2所示,电流表A2测量副边电流之差的有效值I2和相位θ2,也就是复合误差。电流表A1测量基准互感器二次电流的有效值I1和相位θ1。
被测电流互感器角差即为θ1-θ2;
根据复合误差的定义:在数值上,复合误差的平方 = 角差的平方 + 比差的平方,进而根据测量值推算出被测电流互感器比差。