

电流互感器简称CT,是依据电磁感应原理构建的一种电量变送器,一般由闭合的铁芯和绕组组成,串接在测量仪表和保护回路中使用。常见的电流互感器包括普通原副边抽头电流互感器、穿心电流互感器、特殊型电流互感器、组合式电压电流互感器、直流电流互感器等,下面本文主要介绍这几种电流互感器的结构及原理。
一普通电流互感器结构原理

图示:普通电流互感器结构原理示意图
普通原副边抽头电流互感器的结构较为简单,一般由相互绝缘的一次绕组、二次绕组、铁芯以及构架、壳体、接线端子等组成。其工作原理类似于变压器,一次绕组的匝数(N1)较少,直接串接在线路中,一次线路电流(I1)通过一次绕组时,产生的交变磁通感应按比例减小的二次电流(I2);二次绕组的匝数(N2)较多,与仪表、继电器、变送器等电流线圈的二次负荷串联形成闭合回路(如上图普通电流互感器结构原理示意图所示)。
由于一次绕组与二次绕组有相等的安培匝数,I1N1=I2N2,电流互感器额定电流比:I1/I2=N2/N1。电流互感器实际运行中负荷阻抗很小,二次绕组接近于短路状态,相当于一个短路运行的变压器。
二穿心电流互感器结构原理

图示:穿心电流互感器结构原理示意图
如上图穿心式电流互感器结构原理图所示,穿心电流互感器本身结构不设一次绕组,载流导线由L1至L2穿过由硅钢片擀卷制成的圆形(或其他形状)铁芯起一次绕组作用。二次绕组直接均匀地缠绕在圆形铁心上,与仪表、继电器、变送器等电流线圈的二次负荷串联形成闭合回路。
由于穿心式电流互感器不设一次绕组,其变比根据一次绕组穿过互感器铁心中的匝数确定,穿心匝数越多,变比越小;反之,穿心匝数越少,变比越大,额定电流比:I1/n。
式中:
I1—穿心时一次额定电流
n—穿心匝数
三特殊型电流互感器结构原理
01多抽头电流互感器
多抽头电流互感器一次绕组不变,在绕制二次绕组时,增加几个抽头,以获得多个不同变比。它具有一个铁芯和一个匝数固定的一次绕组,其二次绕组用绝缘铜线绕在套装于铁芯上的绝缘筒上,将不同变比的二次绕组抽头引出,接在接线端子座上,每个抽头设置各自的接线端子,这样就形成了多个变比。

图示:多抽头电流互感器结构原理示意图
02多变比电流互感器
多变比电流互感器与多抽头电流互感器虽然都是通过增加多组副边绕组以实现不同的变比,但多变比电流互感器的二次绕组分为两个(或多个)匝数不同、各自独立的绕组,满足了同一一次电流情况下不同变比、不同准确度等级的需要。

图示:多变比电流互感器结构原理图
03绕组可调电流互感器
绕组可调电流互感器是一种一次绕组可调,二次多绕组的电流互感器。这种电流互感器的特点是变比量程多,而且可以任意变更,多应用于高压电流互感器。
绕组可调电流互感器的一次绕组分为两段,分别穿过互感器的铁芯,二次绕组分为两个带抽头的、不同准确度等级的独立绕组。一次绕组与装置在互感器外侧的连接片连接,通过变更连接片的位置,使一次绕组形成串联或并联接线(如下图所示一次串联、并联结构原理示意图),因此通过改变一次绕组的匝数,可以获得不同的变比。带抽头的二次绕组本身分为两个(或多个)不同变比和不同准确度等级的绕组,随着一次绕组连接片位置的变更,一次绕组匝数相应改变,其变比也随之改变,这样就形成了多量程的变比。

图示:绕组可调电流互感器结构原理图(一次串联方式)

图示:绕组可调电流互感器结构原理图(一次并联方式)
四组合式电流电压传感器
组合式电流电压传感器由电流互感器和电压互感器组合而成,多用作计量电能或用电设备继电保护装置的电源。
组合式电流电压互感器是将两台或三台电流互感器的一次、二次绕组及铁芯和电压互感器的一、二次绕组及铁芯,固定在钢体构架上,浸入装有变压器油的箱体内,其一、二次绕组出线均引出,接在箱体外的高、低压瓷瓶上,形成绝缘、封闭的整体。一次侧与供电线路连接,二次侧与计量装置或继电保护装置连接。根据不同的需要,组合式电流电压互感器分为V/V接线和Y/Y接线两种,以计量三相负荷平衡或不平衡时的电能。

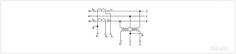
图示:两台电流互感器和电压互感器V/V接线

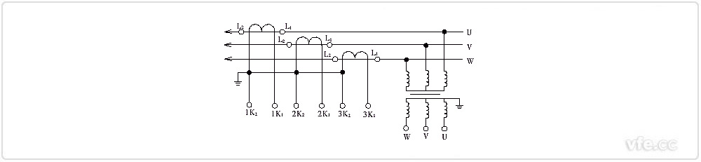
图示:三台电流互感器和电压互感器Y/Y接
五直流电流互感器结构原理
直流电流互感器是用于直流电流量值变换的互感器,它利用铁芯线圈中铁心受直流和交流电流共同磁化时的非线性和非对称性,通过整流电路,将通过线圈的直流大电流按匝数反比变换成直流小电流。主要用于测量直流大电流,也在整流系统中用作电流反馈、控制和保护元件。

图示:直流电流互感器结构原理示意图
如上图所示,图中A与B是两个相同但各自独立的铁芯。直流大电流I1流过两个初级绕组(即图中的穿通导线,相当于初级N1=1匝),两铁心上的次级绕组均为N2匝,以相反极性串接,由正弦波交流电源供电。随着电源电压极性交替变换,两铁芯将轮流处于深饱和与非饱和状态。在理想条件下,电源电压U与负载电阻RN上电压之差,由非饱和铁芯上的次级绕组承担,并有N1I1=N2I2或I1/I2=N2/N1(I2为次级电流),即I2和I2与匝数有反比关系。I2经整流后,可用直流电流表读出,或利用负载电阻RN上的电压降计算出。