当前位置:首页检测中心基础知识 │ 工频接地电阻测试仪误差检测

工频接地电阻测试仪误差检测

  • 浏览次数:7237次
  • 发布时间:2016/11/5 19:14:29
  • 作者:ly_yinhe

  工频接地电阻测试仪一般是指通过电流极注入测试电流,通过电压极获得相关的电位,能直接显示测量值的接地电阻测试设备。工频接地电阻测试仪是一种快速的接地电阻测试设备,在工业现场可以很方便的应用。本文主要根据电阻测量装置通用技术条件介绍工频接地电阻测试仪误差检测相关内容。

工频接地电阻测试仪分类

  按适用对象分类,接地电阻测试仪一般可分为两类:

  A类:适用于一般接地装置接地电阻的测量(即常规测量);

  B类:适用于大型接地装置接地阻抗的测量(即特殊测量)。

工频接地电阻测试仪误差限值要求

  额定工作条件下,在被测仪器的测量范围内,模拟式接地电阻测试仪的基本误差不超过表1规定的极限值。

模拟式接地电阻测试仪基本误差极限值

表1:模拟式接地电阻测试仪基本误差极限值

  额定工作条件下,在规定的测量范围内,数字式接地电阻测试仪的基本误差不超过按式1计算的基本误差极限值。式1中,变换系数a,固定误差b的值按表2确定。

子夜无人免费观看……1

  式中:

  ED,L——数字式接地电阻测试仪基本误差极限值;

  a——变换系数;

  b——固定误差;

  RD——基准值(数字式接地电阻测试仪的示值)。

数字式接地电阻测试仪变换系数和固定误差值

表2:数字式接地电阻测试仪变换系数和固定误差值

  能同时模拟指示和数字显示的接地电阻测试仪应确定其中一种显示方式的示值符合规定的准确度等级。且两者示值之差不得超过该准确度等级所确定的误差极限值。

工频接地电阻测试仪误差检测

  在被测仪器规定的工作条件下,检测A类接地电阻测试仪的基本误差时用标准交流电阻箱为标准器,检测B类接地电阻测试仪的基本误差时用标准交流电阻箱、标准电感、标准电容或标准阻抗作标准器。标准器的误差极限值应不超过接地电阻测试仪准确度等级规定的基本误差极限值的1/4。

01误差检测点选取

  模拟式接地电阻测试仪在测量范围内的每个有分度数字的分度线处检测。

  数字式接地电阻测试仪在其有效测量范围内均匀选取10个测试值(包括测量范围的上限值、下限值或其附近处的值)处进行检测。

  模拟式与数字式同时显示的接地电阻测试仪在模拟式接地电阻测试仪所检测的分度线处检测。

02误差检测方法

  将标准器、等效辅助接地电阻按图1(三端子接地电阻测试仪)或图2(四端子接地电阻测试仪)所示的方式与接地电阻测试仪连接。

  E——接地体端子;P——电压(电位)极端子;C——电流极端子;

  RE——标准器(等效接地电阻);RC、RP——等效辅助接地电阻。

三端子接地电阻测试仪接线图

图1:三端子接地电阻测试仪接线图

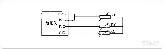
  P1、P2——电压(电位)极端子;C1、C2——电流极端子;

  RE——标准器(等效接地电阻);RP、RC——等效辅助接地电阻。

四端子接地电阻测试仪接线图

图2:四端子接地电阻测试仪接线图

  调节标准交流电阻箱(或标准电感、标准电容、标准阻抗),使接地电阻测试仪的示值依次按照设置的检定点值BX,记录相应标准器对应值BR。

  等效辅助接地电阻:A类为(500±10)Ω;B类为(50±0.1)Ω。

03计算

  接地电阻测试仪的基本误差按式2计算:

子夜无人免费观看……2

  式中:

  EA——接地电阻测试仪的基本误差;

  Bx——接地电阻测试仪的示值;

  BR——标准器的示值;

  AF——基准值(接地电阻测试仪的示值)。

原文:http:/NewsDetail-2019.aspx转载务必带链接注明出处,未注明必追究责任!

Copyright 2010-2017 , All Rights Reserved 子夜无人免费观看 版权所有 湘ICP备09002592号-5