

非传统互感器是一种不同于GB 1207 电磁式互感器、GB 1208 电流互感器、GB/T 17201 组合互感器等标准中规定的互感器类型的电流、电压传递比例变换器。非传统互感器在结构上可由电阻元件、电容元件、电磁元件之一或组合而成,输出的弱信号可与电子式自动化设备以及电子式仪器仪表的信号输入端口对接。
对非传统互感器的误差一般采用比较法进行测量,下面本文主要根据非传统互感器技术条件规定介绍采用差值法对非传统互感器误差进行测量的方法。
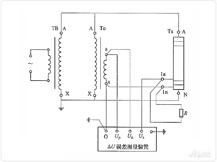
TB——试验变压器;TO——电压比例标准器,可以由标准器级联组合而成;
Tx——非传统电压互感器;R——二次电压负载电阻。

图示:差值法原理测量非传统电压互感器误差线路
如上图所示为使用差值法原理的误差测量装置测量非传统电压互感器输出误差的线路,途中误差测量装置为电位差型,检流计接在差压回路,调节电压微差源使检流计指示平衡时,差压回路电流接近为零。为了不改变标准装置和被检互感器的接地状态,误差测量装置采用高电位端测差方式。
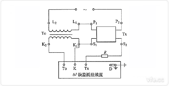
TO——电流比例标准器,可以由标准器级联组合而成;
Tx——非传统电流互感器;R——二次电压负载电阻。

图示:差值法原理测量非传统电流互感器电流输出误差线路
如上图所示为使用差值法原理测量装置测量非传统电流互感器电流输出误差的线路。图中误差测量装置为流比计型,检流计并接在差流回路,调节电流微差源使检流计指示平衡时,差流回路电流接近为零。
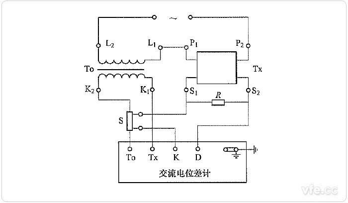
TO——电流比例标准器,可以由标准器级联组合而成;
Tx——非传统电流互感器;R——二次电压负载电阻;S——低感分流器。

图示:差值法原理测量非传统电流互感器电压输出误差线路
如上图所示为使用差值法原理测量装置测量非传统电流互感器电压输出误差的线路。误差测量装置为交流电位差型,检流计串接在差压回路,调节电压微差源使检流计指示平衡时,差压回路电流接近为零。S是准确度不低于0.02级的低感分流器,把电流标准装置的二次电流变换为与被试互感器二次输出名义值相同的电压,然后按阻抗电桥原理测出误差。