

热阻是反应阻止热量传递的综合参数,电机热阻是指从电机内的热源(绕组、铁心等)到冷却介质之间对热流的阻抗。热时间常数又叫热响应时间,电机的热时间常数是指在恒定功耗的技术规定条件下,电机绕组温升达到稳定值的63.2%所需时间。
电机的热模型包含了几种热时间常数,为了便于分析我们通常选用一种模型(图1:电机热模型)对热时间常数及热阻完成测试,下面本文对永磁伺服电机的热阻测试和热时间常数测试进行详细介绍。
测试试验时为方便电机自身均匀散热,被试电机可以在低速(低于5r/min)下运行,散热板与其他接触部分作隔热处理。试验在恒温条件下进行。若是风机电机,试验应在风机电机的规定的冷却条件下进行。

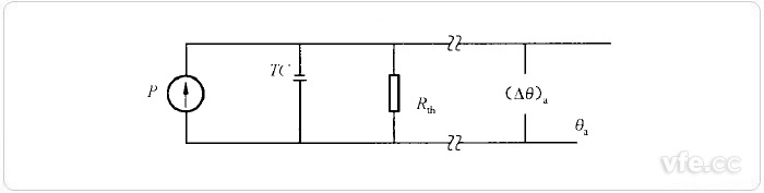
图1:电机的热模型
说明:
P——功率损耗,单位为瓦特(W);
TC——热容,单位为焦每开(J/K);
Rth——热阻,单位为开每瓦(K/W)
(△θ)a——在环境温度下的温升,单位为开(K);
θa——环境温度,单位为摄氏度(℃)。
永磁伺服电机热阻、热时间常数试验时依据以下步骤进行:
a) 用不大于最大连续电流值的电流驱动电机并使电机达到热平衡状态;
b) 确定温升(△θ)a;
c) 用(△θ)a乘以0.368,结果加上环境温度θa;
d) 将电源断开,记录电机的温度下降到c)步骤计算出的温度值所需的时间t;
e) 用P=I^2R计算功率损耗,式中I为电流值,R为温度在θf时的绕组电阻。
f) 热时间常数τth=TC*Rth,是在d)步骤中记录的时间t,则热阻Rth=(△θ)a/P,试验过程中相关参数的确定可参见图示2。

图2:测量过程参数说明
说明:
τth=——热时间常数,单位为分(min);
θf——热稳定时的温度,单位为摄氏度(℃);
θa——环境温度,单位为摄氏度(℃);
θt——在t时刻的温度,单位为摄氏度(℃)。
上一篇:电压互感器分类及其作用
下一篇:电流互感器分类及其作用