

电动机的轴电压、轴承电流主要是由于环绕电动机轴的磁路不对称、转子运转不同心、感生脉动磁通等原因所产生的,它会使轴—轴承—机座的回路有电流流通,在电动机转子轴两端、轴与轴承之间、轴与轴承对地形成称为轴电压。根据轴承的种类不同,其耐电压程度有所不同,若超过轴承所允许的值,会通过油膜放电或者导电,会在轴瓦和轴承处产生点状微孔,并在底部产生发黑现象。严重时会使轴和轴承受到损坏,运行中伴随着强烈的噪声及设备外壳带电等。
因此,必须采取可行监测检查方法对轴电压及轴承电流进行检测,以保证电动机安全、可靠地运行是至关重要的。下面本文根据变频器供电三相感应电动机试验方法介绍轴电压及轴承电流的测定。
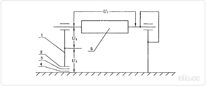
轴电压测定试验参照下图1所示,试验电源由变频器供电。试验前应分别检查轴承座与金属垫片与金属底座间的绝缘电阻,确定电动机绝缘是否良好。同时,在电动机轴承与机壳之间加装绝缘环(轴承和转轴之间垫入干燥的绝缘片)或者使用绝缘轴承,确保电动机轴承绝缘良好。
第一次测定时,被试电机应在额定电压、额定频率下空载运行,用高内阻毫伏表测量轴电压U1,然后用导线A将转轴一端与地短接,测量另一轴承座对地轴电压U2,测量完毕将导线A拆除。试验时测点表面与毫伏表引线的接触良好。
第二次测定时,被试电机在额定电流、额定频率下额定负载运行,测量轴承电压U3.

图1:轴电压测定示意图
1——轴承座;
2——绝缘垫片;
3——金属垫片;
4——绝缘垫片;
5——转子。
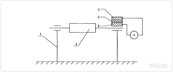
轴承电流测定试验参照图示2——轴承电流测定示意图,试验电源采用变频器供电。在的电动机非轴伸端与机壳之间加装绝缘环(轴承和转轴之间垫入干燥的绝缘片)或者使用绝缘轴承,确保电动机轴承绝缘良好。
试验时将电流表串联到轴承绝缘层两面接触的金属件上,分别在额定电压、额定频率和最高额定频率下空载运行,测量电流值,即为轴承电流。

图2:轴承电流测定示意图
1——轴承座;
2——转子;
3、4——与轴承绝缘体两面接触的金属部件;
5——轴承绝缘体。
【原文:http://www.vfe.cc/NewsDetail-1892.aspx,转载务必带链接注明出处,未注明必追究责任!】
上一篇:直流电机效率测量方法简介
下一篇:电压互感器分类及其作用