

工频耐电压试验主要用于对各种电气产品、电器元件、绝缘材料等进行规定电压下的绝缘强度试验,考察被试产品的绝缘水平,找出被试设备的绝缘缺陷,衡量过电压的能力。工频耐电压试验对保证设备安全运行具有重要意义,下面本文主要根据相关国家标准介绍电动汽车电机工频耐电压试验要求及试验方法。
工频耐电压试验在电机静止状态下进行,试验输入为工频正弦波交流电压。在耐电压试验开始试验前,需要做好必要的安全防护措施,被试电机周围应处于可监控状态。
工频耐电压试验前应先测量绕组的绝缘电阻,并且工频耐电压试验应当在超速、偶然过电流、短时过转矩试验及短路机械强度试验后进行。型式试验时,工频耐电压试验应在温升试验后立即进行。
当电枢绕组各相或各支路始末端单独引出时,应分别进行试验。试验时被试绕组两端同时施加电压(对小型电机可在绕组一端施加电压),此时,不参加试验的其他绕组和埋置检温元件等均应与铁心或机壳作电气连接,机壳应接地。如果三相绕组的中性点不易分开,三相绕组应同时施加电压。
工频耐压试验变压器应有足够的容量,如被试电机绕组的电容C较大时,则试验变压器的额定容量SN(KVA)应大于式子计算量:

式中:
f——电源频率,单位为赫兹(Hz);
U——试验电压值,单位为伏(V);
UNT——试验变压器的高压侧额定电压,单位为伏(V);
C——电机被试绕组的电容,单位为法(F)。
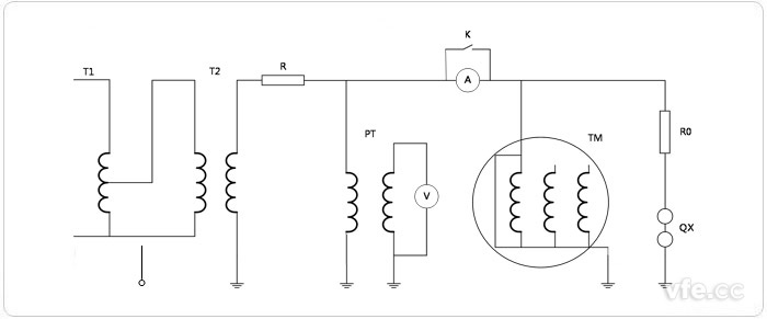
工频耐电压试验接线原理图如下图所示:

图示:工频耐电压试验原理图
图中T1为调压变压器,T2为高压试验装置,PT为电压互感器,R为限流保护电阻,其值一般为每伏(0.2~1)Ω,R0为球隙保护电阻(低压电机试验时不接),其值一般可用每伏1Ω,QX为过电压保护球隙(低压电机试验时不接),V为电压表,TM为被试电机,其中球隙和球径按高压电气设备绝缘试验电压和试验方法的规定选择,球隙的放电电压应调整到试验电压的(1.1~1.15)倍。如果需测量电容电流,可在试验装置高压侧接入电流表和电流表并联的短路保护开关。如电流表接在低压侧则应注意杂散电流对读数的影响。
试验时,施加的电压从不超过试验电压额定值的一半开始,然后以不超过额定值5%均匀地或分段地增加至额定值,电压自半值增加至全值的时间应不少于10s。全值试验电压值应符合GB 755中耐电压试验要求的规定,并持续1min。
对批量生产的5KW(或KVA)及以下电机进行常规试验时,1min试验可用约5s的试验代替,。也可用1s试验来代替,但试验电压应为GB 755中耐电压试验规定电压的120%,试验电压用试棒施加。试验完毕,亦应均匀降压,待电压下降到全值的三分之一以下时,方可断开电源,并将被试绕组进行放电。
试验过程中,如果发现电压表指针摆动很大,电流表指示急剧增加,绝缘冒烟或发生响声等异常现象时,应立即降低电压,断开电源,将被试绕组放电后再对绕组进行检查。
【原文://NewsDetail-1880.aspx,转载务必带链接注明出处,未注明必追究责任!】
上一篇:同步电机效率测量方法简介
下一篇:直流电机效率测量方法简介