当前位置:首页产品应用 │ DP800数字功率计测量三相功率原理

DP800数字功率计测量三相功率原理

  • 浏览次数:9827次
  • 发布时间:2014/6/19 15:54:54
  • 作者:银河电气

  DP800数字功率计是一款低成本、高精度、适合5~400Hz三相正弦交流电有功功率测量的数字化虚拟仪器。DP800数字功率计测量可以进行直流、单相交流、三相交流功率的测量。
  DP800数字功率计由数字主机、1~3个功率单元、传输光纤、RS232(或USB)连接线及上位机构成。下图为两个功率单元测量三相功率的构成原理图,相互之间连接如图所示。

DP800数字功率计构成原理图

DP800数字功率计构成原理

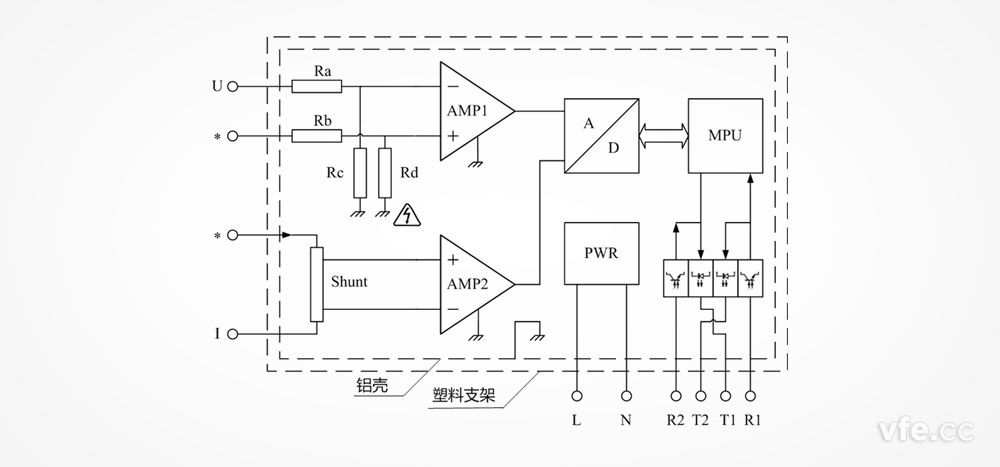
DP800数字功率计功率单元原理

  功率单元主要包括:被测电压调理电路、被测电流调理电路、AD转换器、微处理器MPU、光纤收发器R1、R2、T1、T2、工作电源PWR、屏蔽铝壳及塑料支架等部分。
  被测电压调理电路由电阻Ra、Rb、Rc、Rd及运算放大器AMP1等构成,被测电流调理电路由分流器Shunt和运算放大器AMP2等构成。
  被测电压、电流信号经调理电路(图10中省略了量程转换和防混叠滤波器等电路)等电路变换为与AD转换器量程及阻抗匹配的模拟量电压信号,在微处理器MPU的控制下,AD转换器将模拟量电压信号变换为数字信号,微处理器对数字信号进行分析运算得到电压有效值、电流有效值、有功功率、频率等参数,由微处理器MPU的串行通讯接口经过光纤发送器T1上传。光纤接收器R1接收数字主机的设置指令及同步时钟信号送至微处理器MPU的串行通讯接口。


DP800功率单元工作原理框图
DP800功率单元工作原理框图
  
为了通过光纤总线将多个功率单元互联,每台功率单元还包括一对用于连接总线上下一个功率单元的光纤收发器R2和T2。

DP800数字功率计接线图

DP800数字功率计直接测量接线图
DP800数字功率计直接测量接线图

DP800数字功率计电压直测、电流测互感器接线图
DP800数字功率计电压直测、电流测互感器接线图

Copyright 2010-2017 , All Rights Reserved 子夜无人免费观看 版权所有 湘ICP备09002592号-5