当前位置:首页检测中心基础知识 │ 均值检波、峰值检波及方均根检波电路原理及区别

均值检波、峰值检波及方均根检波电路原理及区别

  • 浏览次数:64832次
  • 发布时间:2013/12/10 11:07:22
  • 作者:银河电气

均值检波电路

  均值检波法广泛应用于万用表中交流电压、电流测量电路的交直流转换电路中。均值检波法构建的交直流转换电路对交流信号进行半波或全波整流,再对整流输出的脉动直流信号采用积分电路得到较平缓的直流信号,直流信号的幅值就是被测信号的半波整流平均值或全波整流平均值,再利用被测信号的半波整流平均值或全波整流平均值与有效值的关系即可计算出被测信号的有效值。
  全波均值检波电路输出的是被测信号绝对值的平均值(下称整流平均值),而半波均值检波电路输出的是整流平均值的1/2。
  波形因数是指信号的有效值与整流平均值的比值。因此,半波均值检波法交直流转换电路得到的测量结果需要乘以两倍的波形因数才是被测信号的有效值。

1均值检波电路的最简模型

  图1为用于交流电流测量的均值检波电路的简单模型。
均值检波电路模型
图1 交流电流均值检波电路模型
  上图为用于电流的交直流转换电路,图中二极管D1和D2构成半波整流电路,二极管D2用于保持被测回路电流的连续性,并非转换电路本身需要。当用于测量电压信号时,二极管D2可以省略。
  当输入处于正半周时,二极管D1导通,向电容C充电,微安表得到的是经电容平滑滤波之后的直流电,当输入处于负半周时,电流从D2流过,二极管D1截止,电容电荷通过微安表内阻放电,电容电压下降。
  电容两端的电压波形如图2所示,流过微安表的电流波形与图2电压波形相同,可见,只要输入交流电流幅值不变,流过电流表的波形非常接近一条直线。充放电电路的时间常数越大或信号频率越高,输出波形越接近直线。充放电电路的时间常数越大,当输入电流幅值发生变化时,输出响应越慢。因此,均值检波电路较适合于幅值相对稳定或变化缓慢,而频率较高的交流电测量。
峰值检波波形
图2 均值检波电路输出电压波形
  均值检波电路通常采用电容充放电电路作为平均值电路,由于输出为整流平均值,要求电容充放电时间常数相等。
  由图1可知,电容充放电时间常数取决于微安表内阻,充电时,微安表内阻越大,电容越大,流过微安表的电流越小,电容充电电流越大,充电越快;放电时,微安表内阻越大,电容越大,放电越慢。为了使充放电速度相同,因此,只有在微安表内阻与电容符合特定关系时,才能使充放电速度相同。
  对于数字采样的仪表,图中微安表可用取样电阻替代。并且一般会先将电流信号转变为电压信号再作转换,半波整流的均值检波电路如图3所示。
交流电压均值检波电路模型
图3 交流电压均值检波电路模型
  图中R2一方面用于分压,另一方面也用于调整电容充电速度,以便与放电速度相等或接近。

2实用的均值检波电路

  事实上,图3的电路不论充放电时间是否相等,上述电路均不能实现严格的整流平均值:
  a、实际二极管有压降,用于较低电压测量时,二极管压降不容忽视;
  b、电阻电容串联电路,不是严格的平均电路。
  综合考虑上述因数,第一个问题较容易解决,将二极管半波整流电路采用基于精密整流的绝对值电路替代即可。
  第二个问题可以采用有源积分器替代简单阻容电路实现。
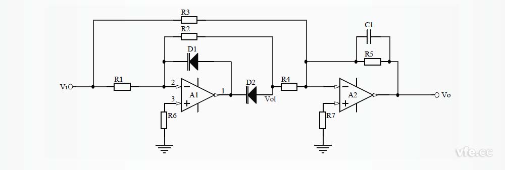
  图4为实用的均值检波电路,图中只要去除C1,就是全波精密整流电路,本电路在A2构成反相加法器上增加积分电容,将其变为反相加法及积分电路。图中R3=2R4。
实用均值检波电路
图4 实用的均值检波电路
  注:严格的积分器是R5为无穷大,而本电路R5用于控制直流分量的增益,不能采用过大的电阻,因此,只能增大电容C1,使被测交流电频率下,C1的阻抗远远小于R5。

峰值检波电路

  峰值检波法是常用的交直流转换电路之一。峰值检波法构建的交直流转换电路对交流信号进行半波或全波整流,再用充电电容保持整流输出的脉动直流信号的峰值,得到较平缓的直流信号,直流信号的幅值就是被测交流信号的峰值,再利用被测信号的峰值与有效值的关系即可计算出被测信号的有效值。
  峰值因数是指信号的峰值与有效值的比值。因此,峰值检波法交直流转换电路得到的测量结果需要除以峰值因数才是被测信号的有效值。

1峰值检波电路的最简模型

  如图5所示,理论上,基于二极管无源半波整流的交流电压峰值检波电路可以采用与交流电压均值检波电路完全相同的形式。
交流电压峰值检波电路模型
图5 交流电压峰值检波电路模型
  峰值检波电路与均值检波电路的最大区别在于:
  a、峰值检波电路要求充电时间足够短,用于窄脉冲测试的峰值检波电路,要求在很短的时间之内,电容可以快速充电至峰值。而放电时间相对长,否则,输出波形不够平滑。对于正负对称并且幅值相对稳定的交流电而言,只要放电速度远远低于充电速度,即使充电速度较慢,也能使输出非常接近于峰值。
  b、均值检波电路要求充放电时间相等,否则,得到的不是整流平均值,均值检波电路适用于正负对称并且幅值相对稳定的交流电的测量。

2实用的峰值检波电路

  与均值检波电路类似,对于较低的交流电压测量,如图6所示,实用的峰值检波电路应当消除二极管压降的影响。
实用峰值检波电路
图6 实用的峰值检波电路
  当Vi大于Vo时,A1输出正电源电压,D1截止,D2导通,电容C迅速充电至Vi。
  当Vi小于Vo时,A1输出负电源电压,二极管D1导通,二极管D2截止,电容C通过电阻Rc缓慢放电。

方均根检波电路

  方均根值是有效值的代名词,方均根值等于有效值,顾名思义,方均值就是对输入信号顺序进行平方,平均和开方运算。上述运算以在信号的一个或整数个周期内进行。

1方均根检波电路的原理

  如图7所示,方均根检波电路采用乘法器进行平方运算,采用积分电路实现平均运算,积分电路输出经过开方电路即可得到方均根值。
水印-6
图7 方均根检波电路原理

2方均根检波实用电路

  方均根检波电路广泛应用于各种真有效值电压表、电流表和万用表,实际应用中,通常采用专用的真有效值转换芯片实现。常用真有效值转换芯片有AD536、AD637、LTC1966、LTC1967、LTC1968等。
  图8为真有效值转换芯片AD637的官方推荐电路,图中输入电容主要起到隔离直流分量的作用。AD637内部集成了绝对值电路、平方电路、开方电路和积分器电路。除了积分器电路需要外接电容之外,几乎不需要任何外围元件,此外,  AD637还提供了一个电压跟随器供灵活使用,若信号源阻抗较大,建议加在信号源与输入电路之间。
AD637真有效值转换电路
图8 AD637真有效值转换电路

三种检波方式的应用于对比

  均值检波电路输出结果等于被测信号有效值除以波形因数;
  峰值检波电路输出结果等于被测信号有效值乘以峰值因数;
  方均根检波电路输出结果等于被测信号有效值。
  因此,三种检波电路都属于交直流转换电路,均可用于交流信号的有效值测量。均值检波电路适用于特定波形因数的交流信号;峰值检波电路适用于特定峰值因数的交流信号;而方均根检波电路适用于任意信号的有效值测量。
  三种检波电路均广泛应用于交流电压表、交流电流表、毫伏表、万用表等交流电测仪表。通常,采用均值检波电路和峰值检波电路仪表按照正弦波的波形因数和峰值因数进行设计,这就是均值检波表或峰值检波表不适用于非正弦交流电测量的原因。
  从原理可知,三种检波电路中均有电容充放电电路,当电容充放电的时间常数远远大于输入信号周期时,输出信号趋于平滑,当输入信号周期较大或大于充放电时间常数时,输出是脉动直流信号。当输入发生变化时,电容充放电时间越长,输出响应越慢,因此,电容充放电时间应该设置在一个相对合理的时间之内,当输入信号频率过低时,输出将会出现明显的波动,测量精度也会随之降低。
  掌握上述电路原理对于分析各种电测量仪表在实际测量中遇到的问题很有帮助,而对于电测产品设计者而言,更合理的方案是采用交流采样技术,实时跟踪信号频率变化,始终在整周期内对被测信号进行方均根运算,可以最大限度提高交流电量的测量精度。WP4000变频功率分析仪就是这样的一种适合任意交流电量测量的新型电测量仪器。

Copyright 2010-2017 , All Rights Reserved 子夜无人免费观看 版权所有 湘ICP备09002592号-5