

根据《GB/T 2900.19-1994 电工术语 高电压试验技术和绝缘配合》定义,分压器是指由高压臂和低压臂组成的转换装置。被测高电压作用于整个装置,输出电压从低压臂引出,高、低压臂的元件通常为电阻、电容或两者的组合,而相应的装置分别称作电阻分压器、电容分压器和阻容分压器。
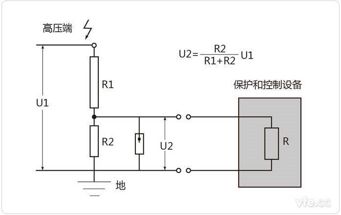
由电阻元件串联构成的分压器。 电阻分压器内部电阻为纯电阻,结构简单,使用方便,测量精度高,稳定性好,被广泛采用。

电阻分压器原理图
电阻电容器采用温度系数小的电阻丝康铜丝或温度系数小而且电阻系数高的卡玛丝绕成时,它的温度稳定性高,长期稳定性也较高。采用压缩性的电阻分压器结构,它的响应特性有可能做得比较高。
电容分压器因为相对普通电阻式分压器的耐压强度大,不易击穿,一般用来测量交流高压。但由于其频响效应的响应时间值比电阻分压器大,所以在冲击电压的测量中比电阻分压器用的少,对于特高冲击电压的测量经常用阻容分压器。
电容分压器可分为两种类型。一种分压器的高压臂是由多个高压电容器叠装组成,另一种分压器的高压臂仅有一个电容。前一种分压器多半用绝缘壳的油纸绝缘的脉冲电容器来组装,要求这种电容器的电感比较小,能够经受短路放电。一个高压油纸电容器是由多个元件串并联组装起来的,每个元件不仅有电容,而且有串联的固有电感和接触电阻,还有并联的绝缘电阻,当然每个元件还有对地杂散电容,这种分压器应看做分布参数,故名为分布式电容分压器。后一种分压器的高压臂仅一个电容,常为接近均匀电场中的一对金属电极,它的电极间以空气为介质,是一个集中电容,故名为集中式电容分压器。
分布式电容分压器由多台脉冲电容器叠装而成,只有幅值误差而无波形误差。至于幅值误差,只要用一个标准的分压器校订以后是完全可以消除的。但在测量陡波时,由于电容分压器的电容比屏蔽电阻分压器屏蔽环的杂散电容大得多,因而响应时间也大很多。所以对测陡波来讲,电容分压器的响应特性不如屏蔽电阻分压器好。单电容分压器不消耗能量,没有发热的麻烦。对测量波前和半峰值时间较长的波,电容分压器比电阻分压器较为有利。此外电容分压器还可兼作为负荷电容供调节波形之用。
集中式电容分压器的高压臂可采用充压缩气体的标准电容器,这种电容器的电容值很准而且很稳定,介质损耗很小。由于是被屏蔽起来的,电容值不受周围物体的影响。在工频测量中,使用得很成功。但用它来做冲击电容分压器时,出现了一些问题,即出现叠加高频振荡。
阻容分压器分阻容串联分压器和阻容并联分压器,是在电阻分压器和电容分压器的基础上进行改脉冲高压强流测试装置的研制进而发展来的,其响应性能已经有了很大的改善,是更为优越的分压器。
阻容串联分压器克服了电容回路的剩余电感,抑制了分压器的振荡。这种分压器也称为阻尼电容分压器,其响应特性比纯电容分压器更优良。但是,正由于电阻的接入,影响了其响应时间。阻尼电阻太大了会加大响应时间,当分压器在接入脉冲试验回路后,也会影响脉冲电压的形成。若阻尼电阻太小了,又不能完全消除振荡,而且,当低压臂只有电容时,也会增大相应的起始上升时间,分压器的响应特性也不太好,在测量陡波时尤为明显。
阻容并联分压器是在电阻分压器的基础上,为了增大分压器的纵向电容,改善分压器上的电位分布,减小对地杂散电容的影响,提高分压器的响应特性而来的。制作良好的阻容并联分压器具有幅频特性好、线性度高等优点。而且阻容并联分压器因其测试的频带范围比较大,从直流、工频到冲击电压,基本覆盖全部试验电压的范围。
上一篇:电动汽车充电机简介
下一篇:中国电动汽车标准体系