

01电容式电压互感器的额定频率
电容式电压互感器设计所依据的频率。
02电磁单元
电容式电压互感器的组成部分,接在电容分压器的中压端子与接地端子之间(或当使用载波耦合装置时直接接地),用以提供二次电压。
03中压变压器
一台电压互感器,在正常使用条件下,其二次电压实质上正比于一次电压。
04补偿电抗器
一个电抗器,通常接在中压端子与中压变压器一次绕组的高压端子之间,或接在接地端子与中压变压器一次绕组的接地侧端子之间,或者将其电感值并入中压变压器的一次和二次绕组内。
05阻尼装置
电磁单元中的一种装置,其用途有:
a)限制可能出现在一个或多个部件上的过电压;
b)抑制持续的铁磁谐振;
c)改善电容式电压互感器暂态响应特性。
06补偿电抗器的保护器件
并联于补偿电抗器两端的一个器件,用以限制电抗器的过电压,且有利于阻尼CVT的铁磁谐振。
01具有一个二次绕组的单相互感器

表示具有一个二次绕组的单相互感器,A表示电容式电压互感器的一次绕组接线端子,N表示电压互感器的一次绕组接地端子。a表示电容式电压互感器的二次绕组接线端子,n表示电压互感器的一次绕组接地端子。
02具有两个二次绕组的单相互感器

表示具有两个二次绕组的单相互感器,A表示电容式电压互感器的一次绕组接线端子,N表示电压互感器的一次绕组接地端子。1a和2a表示电容式电压互感器的二次绕组接线端子,1n和2n表示电压互感器的一次绕组接地端子。
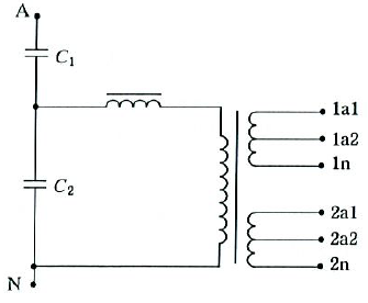
03具有两个带抽头的二次绕组的单相互感器

表示具有两个带抽头的二次绕组的单相互感器,A表示电容式电压互感器的一次绕组接线端子,N表示电压互感器的一次绕组接地端子。1a1、1a2和2a、2a2分别表示电容式电压互感器的二次绕组接线端子,1n和2n表示电压互感器的一次绕组接地端子。
04具有一个剩余电压绕组和两个二次绕组的单相互感器

表示具有一个剩余电压绕组和两个二次绕组的单相互感器,A表示电容式电压互感器的一次绕组接线端子,N表示电压互感器的一次绕组接地端子。1a1、1a2和2a、2a2分别表示电容式电压互感器的二次绕组接线端子,1n和2n表示电压互感器的一次绕组接地端子。da和dn表示剩余电压接线端子。
01测量用电容式电压互感器
为指示仪器、积分仪表和类似装置供电的电容式电压互感器。
02保护用电容式电压互感器
为继电保护装置供电的电容式电压互感器。