当前位置:首页银河百科 │ 脉动电机

脉动电机

  • 浏览次数:11491次
  • 发布时间:2017/7/6 16:46:49
  • 作者:ly_yinhe
定义

  《GB/T 2900.26-2008电工术语 控制电机》定义:脉冲电机是指将转子的轴位移转变为旋转运动的电磁装置。

  脉动电机是一种介于电机和电器之间的电动机。脉动电机既有步进电动机的特点,与驱动电脉冲序列同步,可以作步距角为 30°的步进增量运动;又有步进继电器的特点,可以循环接通12位开关片,提供不同组合的控制信号。

  同时,脉动电机又可以将电能转换为电磁转矩,驱动开关片、离合器等负载,所以被归类于特种电机的范畴。

1
脉动电机工作原理

40MD0型脉动电机开关组

图1:40MD0型脉动电机开关组

  脉动电机通常与开关片的组合,被称为脉动电机开关组。以40MD0型脉动电机开关组为例进行说明。40MD0型脉动电机开关组由电磁头、机械步进机构和开关片三部分组成,如图1所示。

脉动电机电磁头

图2:脉动电机电磁头

  电磁头部分包括定子和转子,如图2所示。定子由定子铁心、机壳和螺管线圈等组成。转子由转子轴、拨叉和衔铁板等组成。

脉动电机定子机壳和衔铁板上的凹槽

图3:脉动电机定子机壳和衔铁板上的凹槽

  转子衔铁板与定子机壳上有三对相互对应的凹槽,槽内装有钢珠,如图3所示。所带开关片多为四层(可增加到六层)单刀12位开关片,通过扁轴和拉紧螺杆与脉动电机的输出轴和安装板相连。另外,在机械步进机构处还有一对纯银常闭触点。

  根据电磁铁原理,当螺管线圈通电时,定子铁心将沿轴向对转子铁心产生吸力。定子机壳和转子衔铁板之间的三对凹槽是按阿基米德螺旋线设计加工的,这样,槽内钢珠便在轴向力的作用下滚动,使转子相对于定子旋转而产生轴向运动,以求两者间达到最小气隙。此时,转子带动拨叉,拨动机械步进机构,从而使输出轴每次通电步进旋转 30°,并带动轴上开关片换接一位。

  螺管线圈通电时间很短暂,这是因为螺管线圈直流电阻只有 12 Ω,若通电时间太长,线圈容易发热烧毁。当螺管线圈断电时,由于复位弹簧的复位作用,转子被复位到初始位置,准备下一步动作。输出轴则由于机械步进机构的定位制动作用,不再退回原位,从而保证开关片在步进运动的状况下轮换接通。同时,每完成一次步进运动,接点架上所带的一对常闭触点MK随之开合一次。

2
脉动电机应用

  脉动电机常应用于开关组编码、无线电波段的遥控切换及工业控制等场合。以下介绍几个脉动电机的具体应用例子。

01时序控制

  脉动电机开关组用于电机寿命试验的时序控制电路如图4所示。脉动电机开关组控制微型直流伺服电机SM工作1 min、休息 3 min,再反转工作1 min、休息 3 min,依次循环。

电机寿命试验的时序控制电路

图4:电机寿命试验的时序控制电路

  晶闸管3CT5与脉动电机螺管线圈、常闭触点MK串联接入27 V直流电源。当定时1 min 脉冲触发晶闸管导通时,脉动电机被接通而步进一步,开关片换接一位。与此同时,MK 被顶开,晶闸管阳极断电终止导通,脉动电机断电复位,等待下一个时钟脉冲。如此晶闸管 1 min导通一次,电机就每分钟步进一步带动开关片换接一位。通过开关片上的接线,便可控制被试微型直流伺服电机工作1 min、休息 3 min,再反转工作1 min、休息3 min,如此不断循环往复。

  可以看出,用脉动电机开关组可方便地实现类似伺服电机寿命试验一类的时序控制,而且只需有一套脉动电机开关组即可。本方法只说明一种控制原理,在实际应用中,由于用开关片通、断直流电机,脉动电机触点容易拉弧且容量有限,所以只能用于微型直流伺服电机寿命试验,且应多层开关片并联,触点还应并接阻容吸收回路。

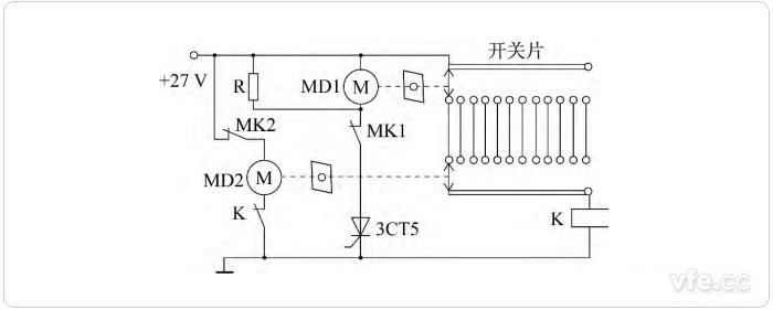
02远距离同位开关

  远距离同位开关电路如图5所示。

远距离同为开关电路

图5:远距离同为开关电路

  当电源接通时,在没有外控输入信号的情况下,主动脉动电机MD1与从动脉动电机 MD2 必定处于同位位置,即MD1在1位置,MD2也必须在1位置。一旦MD1在外控脉冲作用下跳到其他位置, MD2 必定要跟踪追随到同位位置。即使断电初始两机位置相差较远,开机通电后,MD2也会自动寻找到MD1位置才停步,由此达到两机同位。

  具体工作原理是:当两机处于同位位置时,辅助继电器K通过两机开关片的相同位置被接通,其常闭触点断开,将MD2的电源切断,MD2不再动作;当MD1在外控脉冲控制下跳开同位位置时,继电器K断电,其常闭触点闭合,接通MD2电源,MD2 通过自身常闭触点产生自给脉冲而跳步,只有MD2追随到同位位置,继电器K才能被接通,其常闭触点断开,切断MD2电源,MD2停步,从而达到同位目的。这种同位开关,可用于有毒、高温,以及人员不便到达的场合,实现设备的远距离控制。

  MD1也可用手动单刀十二位开关片代替,手转开关片到某一位置,MD2便追随手动开关片到某一位置。当然,还可用其他机械接通装置代替MD1,以达到特定的控制目的。另外,MD2 可以是一台,也可以是多台。


上一篇:步进电机

下一篇:微特电机

Copyright 2010-2017 , All Rights Reserved 子夜无人免费观看 版权所有 湘ICP备09002592号-5