当前位置:首页检测中心基础知识 │ 高压电容电桥基本误差检定

高压电容电桥基本误差检定

  • 浏览次数:7115次
  • 发布时间:2017/2/7 15:59:29
  • 作者:ly_yinhe

  高压电容电桥是一种测量工频电流比率的装置,下面本文主要根据高压电容电桥检定规程介绍高压电容电桥工作原理、类型及基本误差检定的相关内容。

高压电容电桥工作原理

  高压电容电桥从工作原理上可以认为是一种测量工频电流比率的装置。当工频高压施加在高压标准电容器和被测设备上时,即产生与它们的电容量和介质损耗因数成比例的同相及正交工频电流分量,这两个工频电流分量经电桥作比例测量后,即可得到被测设备相对于高压标准电容器的电容量比值与介质损耗因数差值。

高压电容电桥分类

01西林型高压电容电桥

  电桥的电流比例臂由电阻器构成,流过参考电流的比例臂上并联有移相电容器,采用电势平衡指示。

02电流比较仪型高压电容电桥

  电桥的电流比例臂由电流比较仪的比例绕组构成,流过参考电流的比例臂上附有移相电路,采用磁势平衡指示。按移相方式可以把这类电桥分为有源与无源两种,属于无源的一种用阻容电路直接移相;属于有源的一种用电子方法元件配合阻容元件正交移相。用磁势合成方法实现所需相移。

03电子式高压电容电桥

  使用电子电路(包括模拟电路和数字电路)测量幅值比和相位差的高压电容电桥。

04数字式高压电容电桥

  采用数字信号处理方法测量幅值比和相位差的高压电容电桥。

05高压介损仪

  高压介损仪一般是指由高压电容电桥、高压试验电源和高压标准电容器组成的测量装置。高压试验电源通常不高于10KV,频率40Hz~70Hz。

高压电容电桥的基本误差

  西林型高压电容电桥和自动变换量程的电子式或数字式电桥的基本误差为:

子夜无人免费观看

子夜无人免费观看

  电流比较仪型高压电容电桥和手动变换量程的电子式或数字式电桥的基本误差为:

子夜无人免费观看

子夜无人免费观看

  符号意义:

  △X——电容比率绝对误差限值;

  △D——介质损耗因数差值绝对误差限值;

  A——用百分数表示的电容比率测量准确度级别;

  B——用百分数表示的介质损耗因数差值测量准确度级别;

  X——电容比率测量示值;

  D——介质损耗因数测量示值;

  RN——电容比率量程定标值。它等于该量程最大比率值按一位有效数字化整的数值。

高压电容电桥基本误差检定

01电容比率基本误差检定

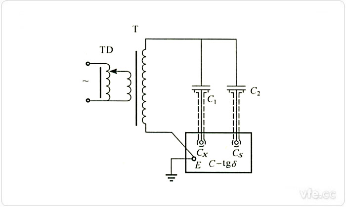
  电桥的电容比率基本误差采用图1的电容比较线路整体检定。

用电容比较线路检定电容比率

图1:用电容比较线路检定电容比率

  图中:TD——调压器;T——试验变压器;C1、C2——标准空气电容器;

  C-tgδ——被检电桥

  整体检定高压电容电桥电容比率测量准确度时,电桥的测量误差按下式计算:

子夜无人免费观看

子夜无人免费观看

  各符号意义:

  △X——电容比率绝对误差;

  △D——介质损耗因数差值绝对误差;

  X——电容比率示值;

  D——介质损耗因数示值;

  CXQ,DXQ——接在Cx端钮的等效电容与介质损耗因数值;

  CSQ,DSQ——接在Cs端钮的等效电容与介质损耗因数值。

02损耗因数基本误差检定

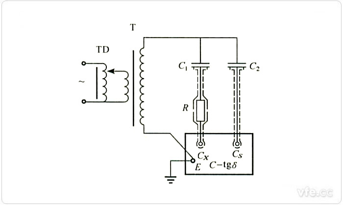
  电桥的损耗因数基本误差采用图2所示的电容比较线路进行整体检定。

用电容比较线路检定损耗因数

图2:用电容比较线路检定损耗因数

  图中:TD——调压器;T——试验变压器;C1、C2——标准空气电容器;

  R——交流电阻;C-tgδ——被检电桥

  整体检定高压电容电桥介质损耗因数差值测量准确度时,电桥的测量误差按下式计算:

  各符号意义:

  △X——电容比率绝对误差;

  △D——介质损耗因数差值绝对误差;

  X——电容比率示值;

  D——介质损耗因数示值;

  Cx——接在Cx端钮上的电容;

  Cs、Ds——接在Cs端钮上的电容与介质损耗因数值;

  D0——介质损耗因数零位值;

  Kp——修正系数,参照表1选取;

  KF——修正系数,参照表2选取。

电容比率示值与介质损耗因数示值的关系

表1:电容比率示值与介质损耗因数示值的关系

破裂修正系数KF

表2:破裂修正系数KF


Copyright 2010-2017 , All Rights Reserved 子夜无人免费观看 版权所有 湘ICP备09002592号-5