当前位置:首页检测中心基础知识 │ 高压介质损耗测试仪外施法校准简介

高压介质损耗测试仪外施法校准简介

  • 浏览次数:5505次
  • 发布时间:2017/2/5 16:55:49
  • 作者:ly_yinhe

  高压介质损耗测试仪是指采用高压电容电桥的原理,应用数字测量技术,对介质损耗因数和电容量进行自动测量的一种新型仪器。高压截止损耗测试仪外施法一般是利用外部高压试验电源和标准电容器进行测试,通过计算得到所需的测量结果。下面本文主要根据高压截止损耗测试仪通用技术条件介绍采用外施法时介损仪的介损档和比例档校准方法。

  参照高压介质损耗测试仪通用技术条件规定,外施法的校准方法采用等功率电桥法、低压导纳法进行介损仪的介损档和比例档校准。

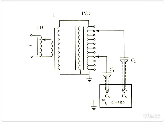
等功率电桥法检定的原理和步骤

  等功率电桥,又称双边变压器比例臂电桥,因具有等功率测量能力而得名。用等功率电桥法检定高压电容电桥比例臂的原理线路参见图1。

等功率电桥原理线路

图1:等功率电桥原理线路

  图中:TD——调压器;T——试验变压器;IVD——1KV单盘感应分压器;

  C1、C2——标准空气电容量;C-tgδ——被检电桥

  a) 检定Cx和Cs端钮处于地电位的高压电容电桥步骤

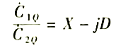
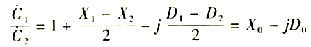
  选取C1=C2=1000pF,C1和Cx端钮连接,C2和Cs端钮连接。使用被检电桥基本量程的1:1档测量,设电桥示值为X1和D1。然后C1和C2交换,设电桥示值为X2和D2,则:

子夜无人免费观看……1

  然后根据检定需求按0.1~0.9、1~9、10~100选取28个比率检定点,根据选点预置比率。当预置比率为K时,C1所加电压为C2所加电压的K倍。设这时电桥示值为X和D,则

子夜无人免费观看……2

  由

子夜无人免费观看

子夜无人免费观看

  式中:

  △X——电容比率绝对误差;

  △D——介质损耗因数差值绝对误差;

  X——电容比率示值;

  D——介质损耗因数示值;

  Cx、Dx——接在Cx端钮上的电容与介质损耗因数值;

  Cs、Ds——接在Cs端钮上的电容与介质损耗因数值;

  Cxq,Dxq——接在Cx端钮的等效电容与介质损耗因数值;

  Csq,Dsq——接在Cs端钮的等效电容与介质损耗因数值;

  D0——介质损耗因数零位值;

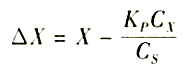
  可计算电桥误差为:

子夜无人免费观看……3

子夜无人免费观看……4

  检定更大比率时,可选C3=10000pF,C2=1000pF,用1/10的电压比和电桥1:1比率测出

子夜无人免费观看

  然后重复步骤。

  b) 检定Cx和Cs端钮不处于地电位的高压西林电桥步骤

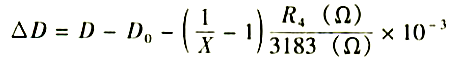
  用a节所述步骤检定这类电桥的3/9,3/8,3/7,3/6,3/5,3/4比率时,只需在式4增加修正项,即:

子夜无人免费观看

  然后选用准确度等级指数不大于B/10,时间常数不大于10^-6s的电阻箱,串在C1高压侧,预置电阻值R=R4:,即可重复以上步骤确定3/2,3/1的误差。

  检定更大比率时,可参照a节有关内容。电阻箱预置电阻值为

子夜无人免费观看

  当被检电桥若不具备负损耗因数测量能力,在负损耗因数的数值不大于10^-3时,可以用高压端串入电阻方法设定附加损耗,等功率电桥法不适用与无屏蔽电位的电桥。

低压导纳法检定的原理与步骤

  低压导纳法是根据电流注入的理论设计的校验方法,原理线路见图2。

低压导纳法原理线路

图2示:低压导纳法原理线路

  图中:TD——调压器;T——试验变压器;IVD1——1KV单盘感应分压器;IVD2-10V四盘感应分压器;Hz——工频频率计;R——31.83KΩ标准电阻;C1、C2——1000pF标准空气电容器;C-tgδ——被检电桥

  设电压U1加在C1和C2的高压端,电压U2加载R的高电位端。Cx和Cs端钮对地阻抗为Z1和Z2,注入Cx和Cs端钮的电流为I1和I2,则

子夜无人免费观看

子夜无人免费观看……1

  式1中表明,无论是西林型电桥还是电流比较仪型电桥,都可以用低压导纳法检定。其区别只与零位修正值的大小有关。

  首先,置IVD2输出为零,用被检电桥在图1状态测量

子夜无人免费观看

  设电桥示值为X0和D0。

  然后根据检定需求在0.1~0.9、1~9、10~100选取28个比率检定点,按照选点规定预置介质损耗因数值,当

子夜无人免费观看

  从10^-6变到10^-3,介质损耗因数的预置值从10^-6变到1。设检定时预置值为Ds,电桥示值为X和D。

  由

子夜无人免费观看

子夜无人免费观看

  △X——电容比率绝对误差;

  △D——介质损耗因数差值绝对误差;

  X——电容比率示值;

  D——介质损耗因数示值;

  Cx、Dx——接在Cx端钮上的电容与介质损耗因数值;

  Cs、Ds——接在Cs端钮上的电容与介质损耗因数值;

  Cxq,Dxq——接在Cx端钮的等效电容与介质损耗因数值;

  Csq,Dsq——接在Cs端钮的等效电容与介质损耗因数值;

  D0——介质损耗因数零位值;

  可得到

子夜无人免费观看

子夜无人免费观看

  同样,低压导纳法不适用与无屏蔽电位的电桥。


Copyright 2010-2017 , All Rights Reserved 子夜无人免费观看 版权所有 湘ICP备09002592号-5