

谐波电流测试是电磁兼容测试项目中一项非常重要的测试项目,本文主要根据GB17625 电磁兼容谐波电流发射限值标准介绍各种被试设备谐波电流限值要求及谐波电流测试电路。
A类设备主要是指下列设备:
1) 平衡的三相设备;
2) 家用电器,不包括列入D类的设备;
3) 工具,不包括便携式工具;
4) 白炽灯调光器;
5) 音频设备;
6) 未规定为B、C、D类的设备均应视为A类设备。
A类设备输入电流各次谐波不应超过表1、表2给出的限值要求。
表1:A类设备奇次谐波电流限值

表2:A类设备奇次谐波电流限值

B类设备主要指下列设备:
1) 便携式工具;
2) 不属于专用设备的弧焊设备。
B类设备输入电流的各次谐波不应超过表1、表2给出限值的1.5倍。
1) 照明设备。
C类设备谐波电流限值应不超过表3给出的限值要求。
表3:C类设备谐波电流限值

规定功率不大于600W的下列设备:
1) 个人计算机和个人计算机显示器、
2) 电视接收机。
表4:D类设备谐波电流限值

被试设备接线端处的试验电压应满足下列要求:
a) 试验电压应为受试设备的额定电压,单相和三相电源的试验电压应分别为220V或380V。试验电压的变化范围应保持在额定电压的±2.0%之内,频率变化范围应保持在额定频率的±0.5%之内。
b) 三相试验电源的每一对相电压基波之间的相位角应为120°±1.5°。
c) 当受试设备按正常运行方式连接时,试验电压的谐波含有率不应超过下列值:
3次谐波 0.9%
5次谐波0.9%
7次谐波0.9%
9次谐波0.9%
2次~10次偶次谐波0.9%
11次~40次谐波0.9%
d) 试验电压的峰值应在其有效值的1.40倍~1.42倍之内,并应在过零后87℃~93℃达到峰值,A类或B类设备进行试验时不作要求。
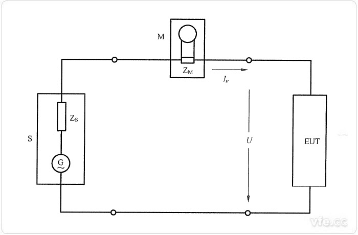
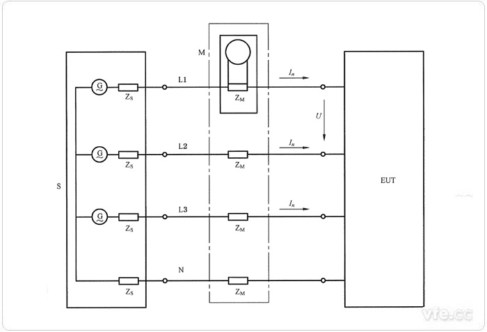
谐波电流测定试验时,将测量的谐波电流值与各类设备谐波限值进行比较以检验受试设备是否符合标准要求。谐波电流测定试验按照下列图中所给出的电路测量受试设备(EUT)的谐波电流:
——图1适用于单相设备;
——图2适用于三相设备。

图1:单相设备的测量电路
S——供电电源;EUT——受试设备;
ZM——测量设备的输入阻抗;In——线电流的n次谐波分量;
M——测量设备;U——试验电压;
ZS——供电电源的内阻抗;G——供电电源的开路电压。
注1:没有规定ZS和ZM的值,但应足够小以满足试验电源的要求,可以通过测量受试设备与测量设备连接处的电压来验证。
注2:在某些特殊情况下,须特别注意避免电源内电感与受试设备电容之间发生谐振。
注3:对于某些类型的设备,例如单相非稳压整流器,谐波幅值随着供电电压急剧变化。为使该变化降到最低程度,推荐将受试设备与测量设备连接点处的电压维持在220V±1.0V/380V±1.0V,采用与谐波评定相同的200ms观察窗进行评估。

图2:三相设备测量电路
S——供电电源;EUT——受试设备;
ZM——测量设备的输入阻抗;In——线电流的n次谐波分量;
M——测量设备;U——试验电压;
ZS——供电电源的内阻抗;G——供电电源的开路电压。
注1:没有规定ZS和ZM的值,但应足够小以满足试验电源的要求,可以通过测量受试设备与测量设备连接处的电压来验证。
注2:在某些特殊情况下,须特别注意避免电源内电感与受试设备电容之间发生谐振。
注3:对于某些类型的设备,例如单相非稳压整流器,谐波幅值随着供电电压急剧变化。为使该变化降到最低程度,推荐将受试设备与测量设备连接点处的电压维持在220V±1.0V/380V±1.0V,采用与谐波评定相同的200ms观察窗进行评估。
下一篇:发电输电方式简介