

电压互感器是电力系统的重要组成部分,是交流电路中一次系统和二次系统间连接的桥梁,用于采样传递信号供给测量仪器、仪表和保护、控制装置等,其工作原理与变压器非常类似。电压互感器正常运行时负载阻抗很大,相当于开路,二次侧电流很小,当二次侧短路时,负载阻抗为零,二次侧短路电流会很大,可能导致电压互感器烧坏,因此,电压互感器二次侧不允许发生短路状况。国标DL408-91《电业安全工作规程》中要求“严格防止带电电压互感器二次回路短路或接地”。
同时电压互感器必须具备一定的短路承受能力,在额定电压下,电压互感器应能承受持续时间为1s的外部短路机械效应和热效应而无损伤。因此,电压互感器必须进行短路测试,以验证其短路承受能力。下面本文主要介绍电压互感器短路测试要求及测试操作等内容。
根据GB 1207 电磁式电压互感器短路承受能力测试规定,电压互感器必须进行一次短路试验,试验时对电压互感器一次绕组侧励磁,二次绕组侧端子短接(本试验也可将一次绕组端子短接,在二次绕组侧励磁),持续时间为1s。短路时,施加于互感器端子上的电压方均根值应不低于其额定电压。
上述试验完成后的互感器在冷却到环境温度后,需要满足下列要求,则认为被试互感器通过短路承受能力试验:
● 无可见的损伤;
● 其误差与本试验前的差异不超过其准确级误差限值的一半,且满足相应准确级要求;
● 能承受住GB 1207规定的绝缘试验,但其试验电压值降至规定值得90%;
● 与一次绕组和二次绕组表面接触的绝缘无明显的劣化现象(如碳化)。
注:如果绕组内电流密度不超过160A/㎡,且铜绕组的导电率不低于GB 5585.1规定值得97%,则d项检查可不进行。此电流密度应依据测得的二次绕组对称短路电流方均根值计算(对于一次侧,应除以额定电压比)。
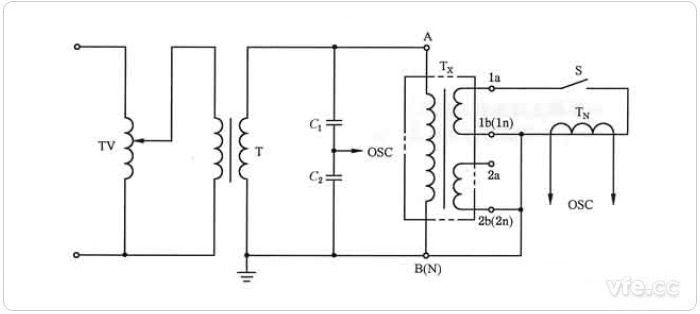
电压互感器应该按照国标要求对其进行短路承受能力测试,试验线路可选择下图1所示二次短路测试接线方式或图2所示一次短路测试接线方式。电压互感器短路测试试验前,应当先对被试互感器的阻抗测量,以此估算短路电流,以便选择合适的测量电流传感器,保证试验安全可靠进行。

图1:互感器短路承受能力试验——副边短路
TV——调压器;TN——测量用标准电流互感器;T——升压变压器;TX——被试互感器;C1、C2——电容分压器;A\B(N)——一次绕组端子;
OSC——示波器;1a、1b(1n)、2a、2b(2n)——二次绕组端子;S——开关

图2:互感器短路承受能力试验——原边短路
TV——调压器;TN——测量用标准电流互感器;T——升流器;TX——被试互感器;
V——峰值电压表(读书除以^2);A\B(N)——一次绕组端子;
OSC——示波器;1a、1b(1n)、2a、2b(2n)——二次绕组端子;S——开关
电压互感器短路测试中可在被试互感器的一次绕组末端B(N)与地之间接一低阻值标准电阻,满足一次短路电流容量需求,由标准电阻取样信号来测量被试互感器一次短路电流值。
短路承载能力试验中施加的电压不低于额定电压值,施加试验电压应通过计算或先施加1/3~1/2试验电压,时间小于0.5s,先以此推算出压降(以保证短路后施加的电压等于或略高于额定电压值)。同时,对于多个二次绕组的互感器,应当在短路阻抗最小的绕组上进行试验。
【原文:/NewsDetail-1870.aspx,转载务必带链接注明出处,未注明必追究责任!】
上一篇:永磁同步伺服电机反电动势测试