

光伏发电作为一种新型的清洁能源,得到越来越来广泛的应用。然而光伏发电系统自身特性的研究以及对电力系统的影响并没有系统的研究方案。本文介绍一种光伏发电系统试验平台的搭建方式以及详细试验方法,希望可以为规范光伏发电系统提供技术支持和解决方案。
目前相关标准在电能质量检测项目有:(频率偏差、电压偏差、电压波动与闪变、三相不平衡、暂时或瞬态过电压、谐波含量和波形畸变(谐波)、直流分量、电压暂降、中断、暂升以及供电连续性,功率因素)等。
当前已有的光伏检测标准如《IEEE1547》分布式资源与电力系统的互联标准都是针对低占比的情况,而现在随着光伏的占比越来越高,对于逆变器而言,支持电网接受高占比的高级功能的需求已经显著地增加。而这些高级功能在原有的标准中并无体现,例如无功电压控制、电压穿越能力、频率穿越能力、有功频率控制、缓变率控制以及通讯等项目的测试。
微型独立光伏发电系统测试主要部件:
1. 光伏阵列
2. 蓄电池组
3. 逆变器
4. 控制器
5. 测试系统
6. 可调阻性负载
在搭建平台和进行测试过程中参照《GBT 20321.1-2006 离网型风能、太阳能发电系统用逆变器 第1部分:技术条件》,《GBT 20321.2-2006 离网型风能、太阳能发电系统用逆变器 第2部分:试验方法》,独立光伏发电系统技术要求-福建省地方标准《DB35/T 962-2009》等;测试方案如图1所示。逆变器接受来自于光伏阵列的直流能量注入,阻性负载产生线性和非线性的电流负载,有效地模拟各种典型的家用负载的行为,例如电脑、厨房电器、电视、空调等设备;DH2000新能源测试系统用于监测分析光伏阵列、逆变器、负载的电能变化(系统测试原理图1),在实验中,可以用直流调压器模拟光伏发电部分,原理图如图2所示。

图1 光伏发电系统测试平台原理图

图2 光伏发电系统测试平台实验原理图
测试电路如图2,在输人电压以额定值的90%~120 %进行变化、输出为额定功率时,测量其输出频率值,应符合相关标准中的规定。
测试电路如图2,输人电压及输出功率为额定值时,测量输出电压的最大波形失真度,应符合相关标准中的规定。
测试电路如图2,输入电压为额定值时,测量负载为满载的75%时的效率,应符合相关标准中的规定。
当输入电压为额定值时,在设备高度1/2 、正面距离3m处用声级计分别测量50%额定负载与满载时的噪声,应符合相关标准中的规定。
测试电路如图2,当输入电压与输出功率为额定值时,检查逆变器的连续可靠工作时间,应符合相关标准中的规定。
当输入电压为额定值、 输出功率为额定值的125%时,检查逆变器的连续可靠工作时间, 应符合相关标准中的规定。
当输入电压为额定值、 输出功率为额定值的150%时,检查逆变器的安全工作时间,应符合相关标准中的规定。
测试电路如图3,将直流电源接到蓄电池输人端,模拟蓄电池的电压。将可变电阻接到负载端,模拟负载。将放电回路的电流调到额定值,然后将直流电源的电压调至欠压断开 LVD点,控制器应能自动断开负载;将电压回调至恢复点,控制器应能再次接通负载。如果是带欠压锁定功能的控制器,当直流输人电压达到欠压恢复点之上,控制器复位后应能接通负载。(欠压保护:使输人电压低于标称值90 %时, 逆变器应能自动关机保护。过电流保护使逆变器工作电流超过额定值50%时, 逆变器应能自动保护)

图3 欠压断开(LVD)和恢复功能测试
测试电路如4,断开 PV输人和负载输出,直流电源接在控制器的蓄电池端,当相关器件不工作时,测量控制器的输入电流应符合相关标准的规定。

图4 空载损耗(静态电流)测试
测试电路如图5,将电流表加在太阳能电池组件的正、负端子之间( 相当于将太阳能电池组件端短路),调节接在蓄电池端的直流电源电压,检查有无电流流过。如果没有电流, 说明具有反向放电保护。

图5 反向放电保护测试
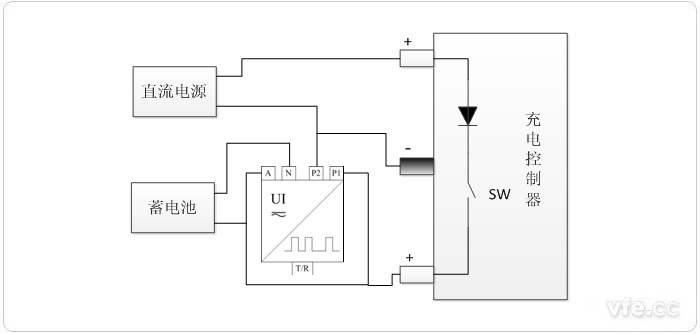
测试电路如图6,用直流稳压电源代替太阳能电池方阵通过控制器给蓄电池充电。当蓄电池电压接近充满点时,充电电流逐渐变小;当蓄电池电压达到充满值时,充电电流应接近于0。当蓄电池电压由充满点向下降时,充电电流应当逐渐增大。

图6 脉宽调制型控制器测试
本文中搭建的光伏发电系统是基于微型离网型光伏发电,主要针对逆变器展开对(输出电压、频率、波形畸变率、效率、功率波动、保护性能、负载等级、空载损耗、温升)等试验项目的测试。本光伏发电系统测试平台搭的建可以为产品在新能源应用方面提供一个验证与研究的环境平台,希望可以在光伏测试计量行业可以找到一个应用的切入点,进而为产品开拓光伏发电领域提供技术支持和解决方案。
【原文:/NewsDetail-1858.aspx,转载务必带链接注明出处,未注明必追究责任!】
下一篇:测量误差的定义及分类