

电子负载即电子负荷,电子负载能消耗电能,使之转化成热能或其它形式的能量。电子负载由电阻,电感,电容,晶体管,集成电路组成,主要用于模拟真实环境中的负载(用电器)。
由于电子负载的特殊性能(提供强大的测试环境,以满足不同的外界需求),故在电子仪器仪表中占有很大的一片市场主要适用于各种电源、电池、适配器及需要电子负载测试场合。一般对电源要求比较严格的厂家都会用电子负载来检测电源的好坏,电子负载可以调节负载大小,以及短路,过流,动态等等,应该说所有的电源厂家都会有用,而且也必须有。
电子负载的原理是控制内功率MOSFET或晶体管的导通量(量占空比大小),靠功率管的耗散功率消耗电能的设备,它能够准确检测出负载电压,精确调整负载电流,同时可以实现模拟负载短路,模拟负载是感性阻性和容性,容性负载电流上升时间。
静态的电子负载可以是电阻性(如功率电阻、滑线变阻器等) 、电感性、电容性。但实际应用中,负载形式就较为复杂,如动态负载,消耗功率是时间函数,或电流、电压是动态的,也可能是恒定电流、恒定电阻、恒定电压,不同峰值系数(交流情况下),不同功率因数或瞬时短路等。目前市面上的电子负载均有基本的四项功能:恒流、恒压、恒阻和恒功率。
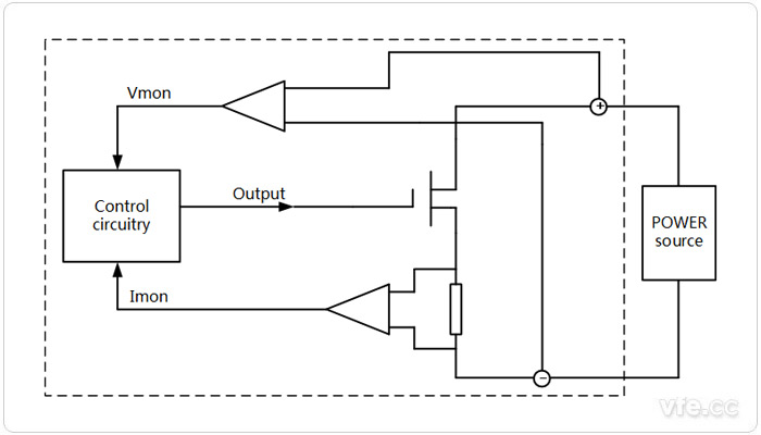
下图电子负载原理框图。电子负载包括如下几个部分:
1) 电压反馈电路
2) 电流反馈电路
3) 功率电路
4) 控制电路

图示:电子负载原理框图
01定电流(CC)模式:
定电流模式中,不论输入电压多少,电子负载将根据设定值来吸取导入电流。定电流模式通常应用在测试电压源、AC/DC电源的负载调整率和蓄电池放电,尤其为开关电源主流测试。
02定电阻(CR)模式:
在定电阻模式中,电子负载将吸取与输入电压成线性正比例的负载电流。定电阻模式应用在测试电压源或电流源和电源激活测试,用于测试电源的启动与限流特性,相应于滑线变阻器,不易受温度影响。
03定电压模式(CV):
在定电压模式中,电子负载将吸取足够电流以控制电压稳定在设定值。定电压模式应用在测试电流源,通常使用于测试电源的限流特性。定电压模式可以仿真电池的端电压,故亦可使用于测试电池充电器。
04定功率模式(CP):
在定功率模式中,电子负载流入的负载电流根据所设定的功率大小改变,此时负载流入的电压与电流乘积等于所设定功率值。定功率模式主要应用于电池容量寿命测试。
05动态负载:
动态负载操作是周期性在两个负载状态之间切换。电源的调整率和瞬态反应在高低电流水平、持续时间和升降率的混合变化下用示波器监视它的输出电压波形。动态负载模式应用于测试电源的整体回路反应,即瞬时响应和回复时间(Recovery Time)测试。实际上大部份负载为动态负载,例如计算机磁盘驱动器动作或不动作时工作电流的变化,动态负载模式能仿真这种状况(脉冲型负载)。
06峰值系数负载:
峰值系数是波形峰值与真有效值的比率,通常用来说明一个交流电源能够在不失真的情况下输出峰值负载电流的能力:
Crest Factor=Ipeak/Irms
大部分电源输入回路包括一个整流二极管和电容滤波电路,会产生一个脉冲交流电流,这是造成电子产品输入功率因素降低(0.6~0.7)的主要因素,PC用电源输入电流峰值系数约为2~3。
07功率因数负载:
功率因数是平均功率值除以Vrms×Arms。当电压和电流波形是正弦波时,下列公式有效:Pav=Average Power=Vrms×Arms×P.F。单纯的电阻负载,电压及电流波形为同相,此时φ=0°,那么cosφ=cos0°=1=P.F.。
当负载从纯电感性变到电阻性再到纯电容性时,电流与电压相位差从-90°到0°再到+90°,同时功率因素从0变到1再到0。交流电子功率因素负载能够仿真电感性或电容性负载,通过程序设计功率因素在0到±1范围内可变。
08负载短路:
指一个DC或AC电源输出端有很低的输出阻抗。当发生短路时,电源的保护电路应产生作用来限制输出电流,它是为了保护电源以避免危险或保护接在电源上的负载受损。
1) 液晶等电脑组件生产企业:可以使用电子负载实现其内部供电模块的测试以及老化;
2) 开关电源、LED厂家:一般的,电子负载可实现直流电源供应器的电源稳定性、负载稳定性、输出电压调整和瞬态特性等参数的测试。(对于多路输出的电源可以使用组合附在测试);
3) 适配器/充电器厂家:测试电池适配器输出电压和电流的调整能力是很重要的,它将保证正确地对设备供电和对设备电池充电。可以使用CC和CR工作模式进行常规性能测试,可以使用OCP和SHORT等功能测试产品的保护动作测试。充电器的调节时间、充电时间等均可由负载的拉载时间测试出。
在电子制造和应用领域,无论是研发、生产,还是质检和维护都必然要用到一种仪器——电子负载。电子负载作为一种测量各种电源的专业仪器设备,市场的专业性比较强,纵观整个电子负载市场,竞争品牌虽然不是很多,但是也不是很少,并且各品牌都具有自己的特色,目前的主流品牌主要有:

电子负载发展到现阶段,技术已经十分先进,非常符合当前电子制造和应用市场的发展需求:它功能强大,可以自行自动测试、模拟测试和过载测试,同时还可以进行序列测试;它操作灵活,通过操作软件的完全图形化界面,更加方便了使用者进行各种数据分析;它集成方便,不但可以和高速数据采集设备构成自动测试系统,而且还可以对被检测设备提供全方位的保护。