

按照旋转变压器的副边输出和原边输入的关系,可以分为:正余弦旋转变压器、线性旋转变压器、比例式旋转变压器以及特殊函数旋转变压器等四类。其中最为常见、应用最为广的是正余弦旋转变压器。
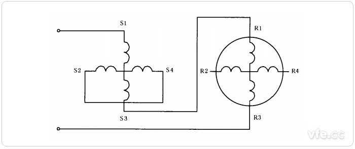
事实上,线性旋转变压器是正余弦旋转变压器的特殊形式。将正余弦旋转变压器的线路进行改接即可实现:一次励磁绕组S1S3与二次绕组(余弦绕组)R1R3串联后施加额定励磁电压US1R3,将一次侧的交轴绕组S2S4短接起原边补偿作用,二次侧的正弦绕组R2R4作为输出,如图1所示。

图1 线性旋转变压器电气原理图
线性旋转变压器的输出绕组方程式:

其中:θ为转子转过的角度;K为变压比。
线性旋转变压器要保持输出电压与转子转角呈线性关系,其变压比K与转子转角θ有着特殊性。
对输出绕组方程式中K分别取0.14,0.46,0.52,0.67,0.95;输入励磁电压幅值为 5V,θ从-180°到180°变化时,作输出电压幅值的变化曲线,如图2所示。

图2 θ从-180°到180°时的输出电压
从图上可以看出:变压比K=0.52至0.67,转子转角θ在-60°至60°时,线性旋转变压器的输出电压与转子转角呈线性函数关系。
所以,市面上的线性旋转变压器的变压比,规定的转子转动角度,都在这两个范围内。