

SP变频功率传感器尺寸和外形结构根据传感器电压、电流量程的不同会有很大不一样,通常我们将传感器划分为低压传感器和高压传感器,1140V一下称之为低压,1140V以上称之为高压,然后根据电流量程有相应的传感器尺寸外形结构,具体分为500A、1500A、2500A、3500A四个类型。
SP变频功率传感器低压系列型号:
| 额定电压 | 型号 | 额定电流 | 额定电压 | 型号 | 额定电流 | 额定电压 | 型号 | 额定电流 |
| 380V | SP381201X SP381301X SP381401X SP381501X SP381751X SP381102X SP381152X SP381202X SP381252X SP381302X SP381352X |
200A 300A 400A 500A 750A 1000A 1500A 2000A 2500A 3000A 3500A |
690V | SP691201X SP691301X SP691401X SP691501X SP691751X SP691102X SP691152X SP691202X SP691252X SP691302X SP691352X |
200A 300A 400A 500A 750A 1000A 1500A 2000A 2500A 3000A 3500A |
1140V | SP112201X SP112301X SP112401X SP112501X SP112751X SP112102X SP112152X SP112202X SP112252X SP112302X SP112352X |
200A 300A 400A 500A 750A 1000A 1500A 2000A 2500A 3000A 3500A |
SP变频功率传感器高压系列型号:
| 额定电压 | 型号 | 额定电流 | 额定电压 | 型号 | 额定电流 | 额定电压 | 型号 | 额定电流 |
| 3.3KV | SP332201X SP332301X SP332401X SP332501X SP332751X SP332102X SP332152X SP332202X SP332252X SP332302X SP332352X |
200A 300A 400A 500A 750A 1000A 1500A 2000A 2500A 3000A 3500A |
6.6KV | SP662201X SP662301X SP662401X SP662501X SP662751X SP662102X SP662152X SP662202X SP662252X SP662302X SP662352X |
200A 300A 400A 500A 750A 1000A 1500A 2000A 2500A 3000A 3500A |
10KV | SP103201X SP103301X SP103401X SP103501X SP103751X SP103102X SP103152X SP103202X SP103252X SP103302X SP103352X |
200A 300A 400A 500A 750A 1000A 1500A 2000A 2500A 3000A 3500A |

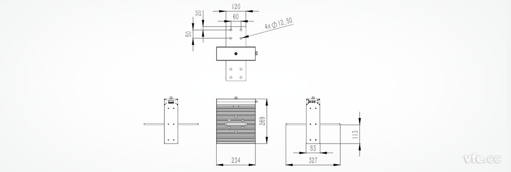
500A档低压传感器尺寸结构图

1500A档低压传感器尺寸结构图

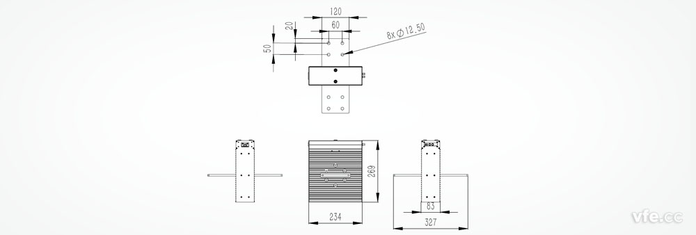
2500A档低压传感器尺寸结构图

3500A档低压传感器尺寸结构图
高压传感器有380V、690V、1140V三种类型,同一电流档,传感器的尺寸和外形结构都是一样的,高压传感器有500A、1500A、2500A、3500A四个类型。

500A档高压传感器尺寸结构图

2500A档高压传感器尺寸结构图

2500A档高压传感器尺寸结构图
3500A档高压传感器尺寸结构图
下一篇:变频电机相关试验标准