热电阻测温原理及其引线方式分析
- 浏览次数:25517次
- 发布时间:2013/12/26 9:18:17
- 作者:量值溯源
一、概述
使用
热电阻来进行温度的测量相信大家都不会陌生,热电阻也是中低温区最常见的一种温度传感器,它的主要特点是测量精度高、性能稳定,其中铂热电阻的测量精确度是最高的。铂热电阻被广泛应用在工业测量领域。
二、测温原理
与热电偶的测温原理不同的是,热电阻是基于电阻的热效应进行温度测量的,即电阻体的阻值随温度的变化而变化的特性。因此,只要测量出感温热电阻的阻值变化,就可以测量出温度。
一般的处理方式是温度变送器通过给热电阻施加一已知激励电流测量其两端电压的方法得到电阻值(电压/电流),再将电阻值转换成温度值,从而实现温度测量。
目前应用最广泛的热电阻材料是铂和铜:铂电阻精度高,适用于中性和氧化性介质,稳定性好,具有一定的非线性,温度越高电阻变化率越小;铜电阻在测温范围内电阻值和温度呈线性关系,温度线数大,适用于无腐蚀介质,超过150易被氧化。中国最常用的有R0=10Ω、R0=100Ω和R0=1000Ω等几种,它们的分度号分别为Pt10、Pt100、Pt1000;铜电阻有R0=50Ω和R0=100Ω两种,它们的分度号为Cu50和Cu100。其中Pt100和Cu50的应用最为广泛。
三、 引线方式
热电阻是把温度变化转换为电阻值变化的一次元件,通常需要把电阻信号通过引线传递到计算机控制装置或者其它一次仪表上。工业用热电阻一般安装在现场,与控制室或者测量端之间存在一定的距离,因此热电阻的引线对测量结果会有较大的影响。目前热电阻的引线主要有三种方式:二线制、三线制和四线制。
下面分别来介绍这三种引线方式的原理以及差异。
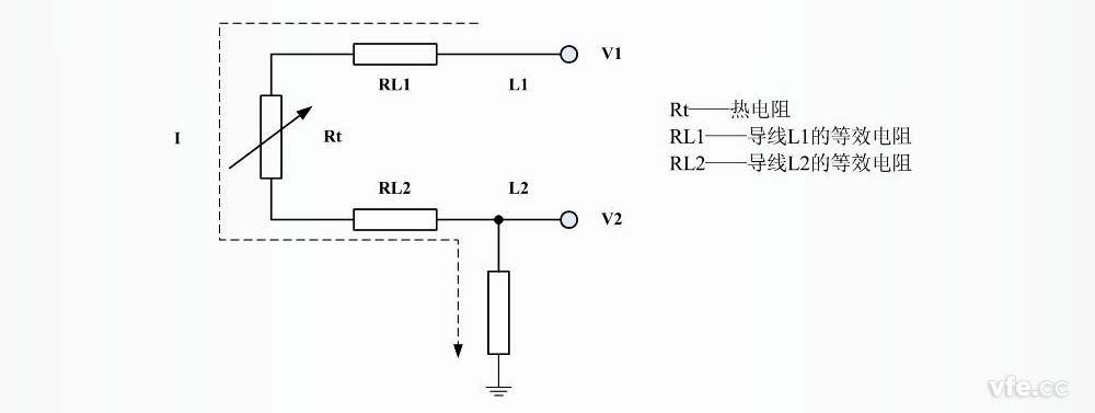
3.1. 二线制引线方式
二线制引线方式是在热电阻的两端各链接一根导线来引出电阻信号,测量原理示意图如图1所示:

图1.热电阻二线制引线方式
从图中可以看到,变送器通过导线L1、L2给热电阻施加激励电流I,测得电势V1、V2,那么由欧姆定律得到:(V1-V2)/I=Rt+RL1+RL2,Rt=(V1-V2)/I-(RL1+RL2)。从公式中我们可以看到,由于连接导线的电阻RL1、RL2无法测得而被计入到热电阻的电阻值中,使得测量结果产生附加误差,如在100℃时Pt100热电阻的热电阻率为0.379Ω/℃,这时若导线的电阻值为2Ω,则会引起的测量误差为5.3℃。
这种引线方式的优点是接法简单,但是由于连接导线必然存在引线电阻,因此这种方式只适用于对温度测量精度要求较低的场合。
3.2. 三线制引线方式
三线制引线方式是在热电阻的根部的一端连接一根引线,另一端连接两根引线。也是实际应用中最常见的接法。具体接线方法如图2所示:
图2.热电阻三线制引线方式
三线制的引线方式增加了一根导线用以补偿连接导线的电阻引起的测量误差,
三线制要求三根导线的材质、线径、长度一致且工作温度相同,使三根导线的电阻值相同,即RL1=RL2=RL3。通过导线L1、L2给热电阻施加激励电流信号I,测得电势V1、V2、V3,导线L3接入高输入阻抗电路,IL3≈0。是那么热电阻的阻值Rt计算如下:(V1-V2)/I=Rt+RL1+RL2,(V3-V2)/I=RL2,RL1=RL2=RL3,则Rt=(V1-V2)/I-2RL2=(V1+V2-2V3)/I。从公式可以看出,热电阻值最后与RL(线路电阻)没有关系,从而也就消除了导线线路电阻带来的测量误差。因此工业现场一般都采用三线制的引线方式,具体典型代表产品
有子夜无人免费观看研制的
DM4032系列温度测试子站,它的测量通道可以从4通道到16通道,供客户进行选择,与上位机的通讯接口采用RS485总线方式,非常适用于集散式的参量测量,布线简单,系统抗干扰能力强,测量准确,深受广大使用者的欢迎,目前多用于电机试验领域。
3.3. 四线制引线方式
四线制的引线方式是在热电阻的根部两端各连接两根导线,其中两根引线为热电阻提供衡定电流I,把R转换成电压信号U,具体接线方法如图3所示:
图3.热电阻四线制引线方式
四线制可以说是热电阻测温理想的接线方式,如上图所示,变送器通过导线L1、L2给热电阻施加激励电流I,测得电势V3、V4,导线L3、L4接入高输入阻抗电路,IL3=0,IL4=0,因此V4-V3等于热电阻两端电压。
热电阻Rt的计算公式:Rt=(V4-V3)/I,可见这种接线方式对于引线没有等阻值的要求,,且真正意义上完全消除引线电阻对温度测量的影响,主要适用于高精度的温度检测(如建立温度基准,计量校准等)。
从上面的分析可知,每种引线方式都有每种方式的优缺点,工业现场一般常采用的方式是三线制的引线方式,我们可以根据不同的场合,来选择不同的热电阻接线方式。