

一概述
开关柜的控制在电力配电系统、电机试验站系统等领域应用非常广泛,传统的控制方式采用手动分合闸操作,这对于系统比较简单、柜体数目较少、安全性能高的场合还比较适用。但对于高压开关柜的控制,尤其是涉及关联锁较多,控制线路复杂的开关柜控制回路来说,就无法采用人工的方式实现智能控制,且容易出现安全问题。
随着近年PLC的兴起,PLC在控制领域的应用也比较普遍,PLC的应用一般会配备一个PLC控制柜,PLC的所有I/O模块全部集中于此柜体中,由CPU实现集中控制,被控制开关柜体的控制信号线全部由此柜体引出。因此,PLC控制柜的位置就决定了其他开关控制控制线的长度及走线,且随着变频电源的普及,设计线路复杂化,现场电磁环境的日益恶劣,电磁干扰已经严重威胁到控制系统的稳定性,模拟线路传输的距离越远,被干扰的可能性越大。
二DMC300分布式测控系统
DMC300分布式测控系统是子夜无人免费观看专门研制的一款针对于分散式参量测量及控制的系统,该系统由上位机及DM系列分布式测量子站和DC系列I/O测控子站组成,本文主要讲述DC系列I/O测控子站在开关柜控制中的应用。
相比于以往的手动控制方式和PLC控制方式,DMC300分布式测控系统是如何避免以上遇到的问题,实现高智能、高可靠性的控制呢?
第一:DMC300分布式测控系统采用分散式的安装,进行分散参量的控制。DC系列I/O测控子站可以直接安装于被控制柜体内,且根据用户需求,配备控制及回解节点,极大的缩短了控制信号线的长度。
第二:采用前端数字化技术,系统实施简洁、拓展性强、EMC兼容性好。DC系列I/O测控子站在控制端即将传输信号转换为数字信号,然后通过光纤总线传输至上位机端,控制子站与子站、子站与上位机之间全部采用光纤传输,避免传输过程中电磁干扰,总线传输方式使得系统功能易拓展,架设及维护方便。
第三:智能化的上位机软件。软件可以根据用户的需求及系统需要,以人性化的设计,将整个控制系统以模拟图的方式展示在用户面前,包含开关的分闸、合闸状态显示,相关开关柜进行联锁、互锁等保护操作,使用户对整个系统的开关配置情况一目了然,增强系统控制的安全性能,真正实现远程智能化控制。
三应用
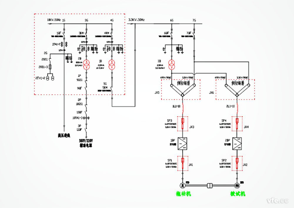
下面以某6MW永磁直驱风力发电试验站的开关柜控制系统为例,讲述DMC300分布式测控系统的应用情况。整个系统的一次线路原理图如下所示:

DMC300分布式测控系统应用于开关柜控制
本系统图中,DMC300分布式测控系统的DC系列I/O测控子站安装于各个待控制的高低压开关柜中,由光纤总线连接至试验控制室内,用户可以通过控制1P~3P等低压开关柜的分断与闭合,远程实现低压设备380V配电的目的;通过控制1G~7G等高压开关柜的分断与闭合,远程实现电机试验系统动力配电的目的。
用户无需走出试验控制室,即可了解整个系统的配电情况,且系统已做安全联锁及保护,保证操作人员不会出现误操作的情况,避免安全事故的发生。
四操作界面
操作界面应客户需求有所不同,上述试验系统的操作界面如下所示:

DMC300分布式测控系统应用于开关柜测控操作界面
通过操作界面,用户只需点击需要操控的相关模拟开关,即可远程实现开关柜的分断与闭合,其中分断部分以蓝色显示,表示未通电,上电部分以红色显示,非常直观。