当前位置:首页检测中心基础知识 │ 文氏桥振荡器的工作原理

文氏桥振荡器的工作原理

  • 浏览次数:22864次
  • 发布时间:2013/8/17 0:13:08
  • 作者:银河电气

  文氏桥振荡器的电路原理图如下:

1
  从电路构成看,电路由两个“桥臂”构成,R1、RF构成负反馈桥臂,并联RC网络和串联RC网络再串联构成正反馈桥臂。也就是说,文氏桥振荡器既有正反馈,又有负反馈。
  我们知道,正反馈电路是不稳定系统,那么,整个电路到底表现为正反馈,还是负反馈呢?这要取决于正反馈和负反馈哪个占“上风”!
  负反馈增益为A1=1+RF/R1
  正反馈增益A2(jf)=1/(3+j(f/f0-f0/f))
  总增益A(jf)=A1*A2(jf)=(1+RF/R1)/(3+j(f/f0-f0/f))
  上式中f0=1/2πRC,先定性分析:
  频率无穷低时,即f趋于0时,f0/f趋于无穷大,总增益趋于零。
  频率无穷高时,即f趋于∞时,f/f0趋于无穷大,总增益趋于零。
  直观判断,是一个带通网络,事实上,的确如此,并且增益的峰值出现在f=f0
  此时A(jf)=(1+RF/R1)/3
  即:A(jf)是实数,也就是说,频率为f0的信号经过环路一周后,其相移为0°。
  RF/R1的值不同时,电路出现下述三种情况:
  a、A<1时,假如电路有一个扰动,扰动每经过环路一次,信号被衰减,负反馈占“上风”,电路是稳定系统,最终扰动趋于零。
  b、A>1时,假如电路有一个扰动,扰动每经过环路一次,信号被放大,正反馈占“上风”,电路是不稳定系统,出现幅度不断增大的振荡。
  c、A=1时,负反馈与正反馈“旗鼓相当”,电路为中性的稳定状态,出现扰动时,频率为f0的信号分量维持原有大小,无限的持续下去。
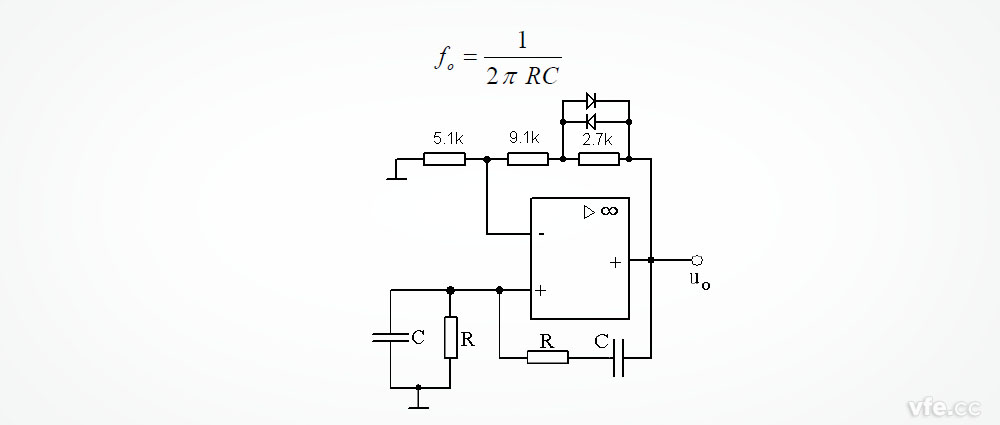
  显然,上述电路还会有问题,首先,实际不可能做到A=1,其次,振荡器的输出幅值不可控。为此,最好是开始时,振荡幅值足够大之前,A>1,振荡幅值达到预定的幅值之后,A=1,显然,这样的电路,需要加入一些非线性环节。
  下述电路就是这样的电路:

2


Copyright 2010-2017 , All Rights Reserved 子夜无人免费观看 版权所有 湘ICP备09002592号-5