当前位置:首页检测中心基础知识 │ 主要的阻抗测量方法有哪些?

主要的阻抗测量方法有哪些?

  • 浏览次数:19348次
  • 发布时间:2019/5/24 16:42:58
  • 作者:银河电气

  阻抗测量一般是指电阻、电容、电感及相关的Q值、损耗角、电导等参数的测量。在阻抗测量中,测量环境的变化,信号电压的大小及其工作频率的变化等,都将直接影响测量的结果。例如,不同的温度和湿度,将使阻抗表现为不同的值,过大的信号可能使阻抗元件表现为非线性,特别是在不同的工作频率下,阻抗表现出的性质会截然相反,因此在阻抗测量中,必须按照实际工作条件(尤其是工作频率)进行。

  阻抗的测量方法主要分为模拟测量法和数字测量法。集总参数元件的测量主要采用电压-电流法、电桥法和谐振法。依据电桥法制成的测量仪总称为电桥,电桥主要用来测量低频元件。Q表是依据谐振法制成的测量仪器,Q表主要用来测量高频元件。阻抗的数字测量法有自动平衡电桥法;射频电压电流法;网络分析法等。现代的低频阻抗测量仪器一般都使用自动平衡电桥法。内含微处理器的各种智能化LCR测量仪已成为阻抗测量仪器的发展主流。

  阻抗测量有多种方法,必须首先考虑测量的要求和条件,然后选择最合适的方法,需要考虑的因素包括频率覆盖范围、测量量程、测量精度和操作的方便性。没有一种方法能包括所有的测量能力,因此在选择测量方法时需折衷考虑。应在测试频率范围内根据它们各自的优缺点选择正确的测试方法。

电桥法测量阻抗的工作原理是什么?

  电桥法是采用模拟法测量阻抗值,其基本工作原理是四臂电桥电路,电路原理如图2.47所示。

电桥法测量阻抗原理

图2.47 电桥法测量阻抗原理

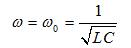
  图中Z1,Z2,Z3,Zx为电桥的四臂的阻抗,其中Zx为所要测量的阻抗。整个电桥由信号源供电,G为电桥的平衡指示器。当电桥桥路平衡时,Uab=0,桥臂平衡指示器上无电流流过。电桥的平衡条件为

1    (2.63)

  当桥路中有三个桥臂已知时,待测量阻抗才可以求得。

谐振法测量阻抗的工作原理是什么?

  谐振法也是模拟测量阻抗值得一种方法,是利用调谐回路的谐振特性而建立的阻抗测量方法。测量线路简单方便,在技术上的困难要比高频电桥小。它的原理图如图2.48所示。

谐振法测量阻抗原理

图2.48 谐振法测量阻抗原理

  谐振法测量阻抗的相关公式见式(2.36),(2.37),(2.38)。可以看出测量电路也是由模拟电路构成。

3    (2.64)

4    (2.65)

5     (2.66)

矢量伏安法测量阻抗的工作原理是什么?

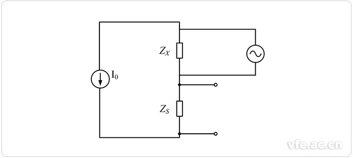
  伏安法可用图2.49的原理电路来说明。

伏安法测量阻抗原理

图2.49 伏安法测量阻抗原理

  图中Io是恒流源,为已知量;Zs是标准电阻,也是已知量(为计算方便一般选为实电阻);被测阻抗Zx与Zs相串联。分别测出Zx与Zs两端的矢量电压Ux和Us,便可通过计算得到待测阻抗,见式(2.67)。

7    (2.67)

  上述测量实际上是先分别测出各个矢量电压的两个分量,然后再通过一系列运算得到被测值Zx的数值。显然,上述测量单纯用电子线路来完成是很不方便的。计算机技术进入测量仪器以后,可以充分利用计算机存储记忆、计算以及灵活的控制功能,方便地获取Us和Ux的各标量并存入内存,迅速计算其结果,实现快速的自动测量,从而使伏安法这一古典方法获得了新的生命力。

  上述三种的阻抗测量方法各有什么优缺点?

  电桥法具有较高的测量精确度,因而被广泛采用,目前电桥已派生出很多类型。但电桥法需要反复进行调节,测量时间长,因而很难实现快速的自动测量。

  谐振法要求有较高频率的激励信号,一般不容易满足高精度测量的要求,且由于测试频率不固定,测试速度也很难提高。

  矢量伏安法是是采用数字测量技术,充分利用计算机的处理能力,进行虚实部的分离的测量,矢量伏安法测量阻抗能够充分利用数字信号处理的方法,通过对数字芯片进行简单的硬件连接,用软件编程的方法进行数字滤波和阻抗值的计算,避免了用模拟电路测量阻抗连接电路繁琐,抗干扰性差的缺点。


Copyright 2010-2017 , All Rights Reserved 子夜无人免费观看 版权所有 湘ICP备09002592号-5