当前位置:首页检测中心基础知识 │ WP4000在电机功率测试中为什么会出现了基波有功功率大于总有功功率现象

WP4000在电机功率测试中为什么会出现了基波有功功率大于总有功功率现象

  • 浏览次数:5545次
  • 发布时间:2019/1/10 17:31:39
  • 作者:银河电气

  在电机试验的实际测量中,WP4000变频功率分析仪遇到过基波有功功率大于总有功功率这种看上去违背常理的现象,这种现象的出现会引起我们对测量仪器准确性的质疑,为什么会出现这种现象,真的是WP4000变频功率分析仪的测量有问题吗?

WP4000变频功率分析仪测试现象描述

电压源型变频调速系统原理图

图1 电压源型变频调速系统原理图

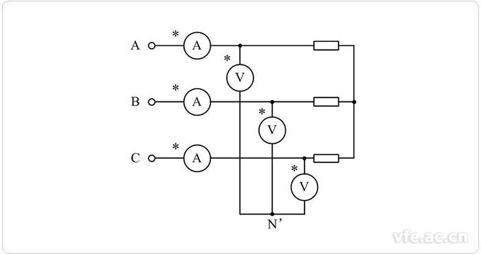
三相三线制电功率测量时的SP系列变频功率传感器接线图

图2三相三线制电功率测量时的SP系列变频功率传感器接线图

  图1所示为脉宽调制(PWM)变频器供电时感应电动机的运行和测量原理图,图中SP系列变频功率传感器接线图采用图2所示的虚拟中性点三瓦计法。ab分别为电机的三相电压和三相电流。根据有功功率的定义,在电机输入端WP4000功率分析仪测量得到的总有功功率c

d

  将a 与 b 分别做傅里叶分解,求得三相电压的基波分量有效值分别为ef,三相电流的基波分量有效值分别为gh,基波电压与基波电流的相角差分别为il,则电机输入端的基波有功功率m

n

  在电机运行试验过程中,有时出现了o的现象,电机试验工程师或功率分析仪的使用人员根据能量守恒定律,就会怀疑是否是仪器测量结果有误?

基波有功功率大于总有功功率现象解读

  由于以SP变频功率传感器为核心的WP4000变频功率分析仪是变频电量测量仪器国家计量基准的原型,为全世界首台变频电量测量仪器国家基准(ATITAN变频功率标准源)提供测量基准,其所有精度指标均可溯源,是目前最高带宽和最高精度的变频高电压传感器。故我们可以排除仪器的测量结果有误这个观点。

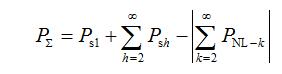
  既然仪器的测量结果准确可信,那难道能量守恒定律错了吗?肯定不是。错误的根源在于应用能量守恒定律时,没有考虑到感应电机在某些工况下应被看作是非线性负载,没有全面准确分析变频器和感应电机之间的能量流动。在本章的106问中,我们已经知道非线性负载消耗的谐波功率是负值,即式(4.80)中,q ,故 r。也就是说,对于非线性负载,基波功率总是大于平均功率的。这里要强调的是,基波功率大于平均功率的部分正是非线性负载向外电路输出的谐波功率。

变频器与感应电机之间的能量流动

图3变频器与感应电机之间的能量流动

  将感应电机看作是非线性负载,图3给出了变频器与感应电机之间的能量流动过程,其中jj是变频器提供给电机的基波有功功率,aa 是变频器提供给电机的谐波有功功率, bb是电机消耗的谐波有功功率。这里需要再次强调的是cc来源于dd和=,即 ee。功率分析仪测量得到的总有功功率ff

gg

  若出现hh这种工况,则必有ii,也就是说基波有功功率大于总有功功率了。


Copyright 2010-2017 , All Rights Reserved 子夜无人免费观看 版权所有 湘ICP备09002592号-5