

电阻、电感、反电动势均是三相永磁同步电机关注的重要特征参数,本套电阻、电感、反电动势测试解决方案主要由被试电机信号源、安装台架、拖动电机、扭矩转速测试设备、耦合工装、测量及分析系统构成,下面本文就对永磁同步电机电阻、电感、反电动势测试解决方案参考依据、系统构成、测试操作等方面进行介绍。
● GB/T 21418 永磁无刷电动机系统通用技术条件
● GB/T 14817 永磁式直流伺服电动机通用技术条件
● GB/T 7345 控制电机基本技术要求
● GB/T 13958 无直流励磁绕组同步电动机试验方法
● GB/T 22669 三相永磁同步电动机试验方法
定子电感:电动机静止时的定子绕组两端的电感。
定子电阻:在20℃下电动机每相绕组的直流电阻。
反电动势系数:在规定条件下,电动机绕组开路时,单位转速在电枢绕组中所产生的线感应电动势值。

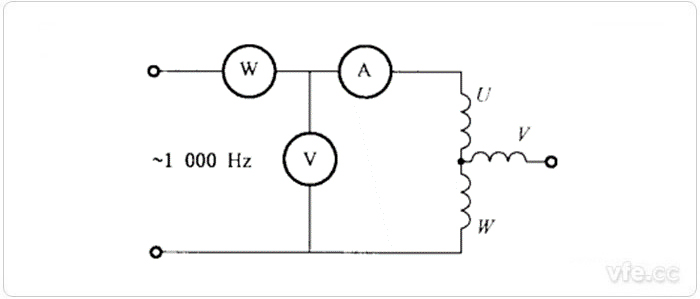
图示:永磁同步电机电阻、电感、反电动势测试系统拓扑图
如永磁同步电机电阻、电感、反电动势测试系统构成拓扑图所示,测试平台主要由定制信号源、电量采集测试设备、被试电机、扭矩转速传感器、扭矩转速变送器、负载电机、负载电机控制器、上位机、夹具固定工装、控制通讯线路、安装平台等部分构成。
定制信号源:为被试电机电阻、电感测试提供信号源——输出直流完成电阻测试/输出1000Hz频率交流完成电感测试;
电量采集测试设备:完成被试电机相关电压、电流、频率、功率等参数测试;
被试电机:用户提供;
扭矩转速传感器:用于测试被试电机输出扭矩转速;
扭矩转速变送器:用于将扭矩转速传感器输出信号变送为上位机可接受信号;
负载电机:作为负载设备,施加设定负载扭矩/转速,完成相关试验项目;
负载电机控制器:给出控制信号,控制负载电机动作;
上位机:控制整个试验流程,完成试验,输出试验结果;
夹具固定工装、控制通讯线路、安装平台等部分为辅助部分,共同组成测试平台,完成检测试验项目。
电阻测试
试验时,将电压稳定、容量足够的信号源直流直接连接在被试电机绕组出线端上,施加的电流不超过绕组额定电流的10%,通电的时间不超过1min。在电参量测量仪表指示稳定后,同时读取并记录电流及电压值,将电流和电压换算为电阻值,并且折算到20℃时的定子线电阻。
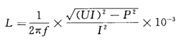
电感测试

如图所示,被试电机定子绕组两端加以1000Hz的正弦交流电源,调整电压,使电流达到产品专用技术条件规定的数值,测量有功功率,缓慢地转动转子,分别找出最大电感值和最小电感值的位置,按下式计算出每两相线间最大电感值Lmax和最小电感值Lmin,并依次求出平均电感值Lav。

式中:
U——绕组两端施加的电压;
P——实测有功功率;
I——实测电流;
L——线间电感。
反电动势测试
试验时,用负载拖动电机与被试电机用联轴器连接。原动机拖动被试电机在同步转速下作为空载发电机运行,记录观测其波形;同时分别测量被试电机的三个出线端感应电压,取其平均值作为线反电动势U,用下式计算反电动势常数。
Ke=U/(2π/60)n
式中:
Ke——反电动势常数;
U——电机线反电动势,正弦波驱动电机用线反电动势有效值,方波驱动电机用线反电动势幅值;
N——被测点转速。
上一篇:电测量仪器仪表的误差修正方法
下一篇:扭矩测量方法介绍