当前位置:首页检测中心基础知识 │ 直流电流测量装置现场检测方法简介

直流电流测量装置现场检测方法简介

  • 浏览次数:7114次
  • 发布时间:2017/7/22 19:29:48
  • 作者:ly_yinhe

  随着直流输电技术的高速发展,直流电流测量装置,特别是直流电流互感器在电力输送系统中应用越来越广泛。因此,对直流电流测量装置的现场检测需求也越来越大。下面本文就对当今直流输送电系统直流电流互感器现场检测的方法进行简单介绍。

直流电流互感器现场检测——直接注流法

直接注流法检测直流电流测量装置原理图

图示1:直接注流法检测直流电流测量装置原理图

  与传统的交流电流互感器的校验类似,用升流器将电流输出进入标准电流互感器和被试互感器,通过对比二次输出信号的角差和相差来确定互感器的误差。

  具体操作时在直流互感器一次线圈两端串接容量足够大的电流导线,通过一次穿心的直流电流互感器标准,导线的两端联接在直流电源的输出端。直流标准电流互感器的二次额定输出电流为5A,电流变比为4000A/5A可调。设定其二次电流为ISE,将二次回路接入一个高精度的标准电阻(阻值为R,暂不考虑现场温度影响的条件下恒定为常数),用一个高精度的数字表测量其在电阻上产生的压降,获得一个电压信号USAM,该电压信号USAM=ISE*R,即ISE=IPRI/K,其中IRPI为直流一次注流电流,K为直流互感器变比,为常数。代入电压信号等式中可以获得 USAM= R/K*IPRI,由此可见,直流测量装置一次电流值是只与该电压变量相关的函数,并且在一定区间内单调上升。试验中只需要精确测量电阻上的电压信号值,即可精确获得一次注流电流值,可与后台远方测控系统一次电流值进行比较,确定其系统误差。其误差可用如下公式1进行计算得来。

IMG_1220……1

  式中:

  ε——为直流互感器的误差;

  Kα——为直流标准互感器系统比例系数;

  Kb——为被检直流互感器测量系统比例系数;

  Uα——为数字表 A的现场实测读数,即直流标准互感器二次输出电压;

  Uα——为数字表 B的现场实测读数,即被检直流标准互感器二次输出电压。

01直接注流法检测特点

  优点:

  (1)通过一次电流升流,模拟运行过程中直流测量系统的整套运行工况,可以用更接近实际运行条件的方式来对整套系统进行检测,保证了检测的全面性和整体性;

  (2)试验过程中对无需对后台测量保护设备进行接线,只需要在控制台读取。

  缺点:

  (1)一次升流设备体积较大,运输接线不便;

  (2)实验室一次接线需借助吊车进行,需要实验人员配合,投入大。

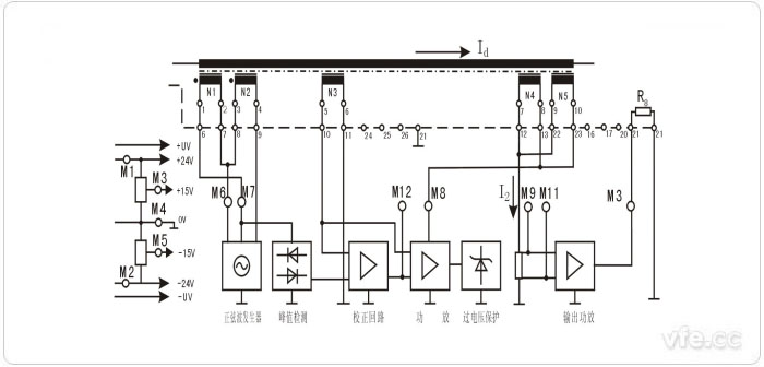
直流电流互感器现场检测——补偿绕组检测法

直接注流法检测直流电流测量装置原理图

图示2:直接注流法检测直流电流测量装置原理图

  直流互感器电子测量单元是将一次直流电流转化为二次小电压,供直流控制保护系统使用,实现对测量测试系统的控制。

  零磁通直流电流互感器主要由两部分组成,磁积分器和磁调制器。其主要结构如图2所示,带铁芯的辅助绕组N1,N2,N3,以及绕组匝数相同并联绕组N4,N5组成。其中补偿绕组N4,和校准绕组N5围绕三个铁芯。正常运行时 N4和 N5绕组并联运行,只有在校准的时候N5绕组才被打开使用。

  当这种零磁通电流互感器原边额定电流为±3000A时,补偿绕组的额定电流为0.54348A,补偿绕组的电流在负载电阻上转变为相应的电压,最后经过输出放大器放大的电压信号为1.6667V,输出的电压信号送到控制保护系统。

  正常运行时 N4和 N5绕组是并联的,校准 N4绕组时,将 N5绕组断开并与N4绕组隔离,通过标准源(准确度等级 0.05级)向 N5绕组中注入补偿电流Icom,其电压输出端输出电压与补偿电流之间满足Vout=3.06667×Icom的比例关系。从而通过不同的电流源输入值,一般情况下 5等分点进行校准,可以记录不同补偿电流点下的输出电压值,同时可读取远传显示一次电流值。

01补偿绕组检测法特点

  优点:

  (1)试验地点在保护室,试验环境良好,试验不受天气限制;

  (2)设备体积小,方便携带运输,只需要直流源和一只高精度数字表即可进行试验,试验效率高。

  缺点:

  (1)试验要断开校准绕组,注入校准电流,试验稍有不慎容易损坏设备;

  (2)多次插拔导线,容易引起端子接触不良。


Copyright 2010-2017 , All Rights Reserved 子夜无人免费观看 版权所有 湘ICP备09002592号-5