

新颁布的《JJF 1559-2016变频电量分析仪校准规范》规定的变频电量分析仪功率校准方法包括准源法和标准表法,校准规范中对校准点的选取、电气图的接法、误差的计算等都做了明确规定。
变频电量分析仪功率校准点按以下选择进行组合:
1. 电压在量程范围内选取不少于5个点(包含量程上限、1/2量程);多量程至少选择包括最大量程、最小量程在内的3个量程,每量程不少于2个点。
2. 电流在量程范围内选取不少于5个点(包含量程上限、1/2量程);多量程至少选择包括最大量程、最小量程在内的3个量程,每量程不少于2个点。
3. 在工作频率范围内选取不少于3个点(包含频率上限、频率下限、参考频率或典型频率)。
4. 功率因数不少于2个点,优先在0.05(L)、0.05(C)、0.2(L)、0.2(C)、1.0中选择。
5. 校准点也可按照用户需求进行选择。
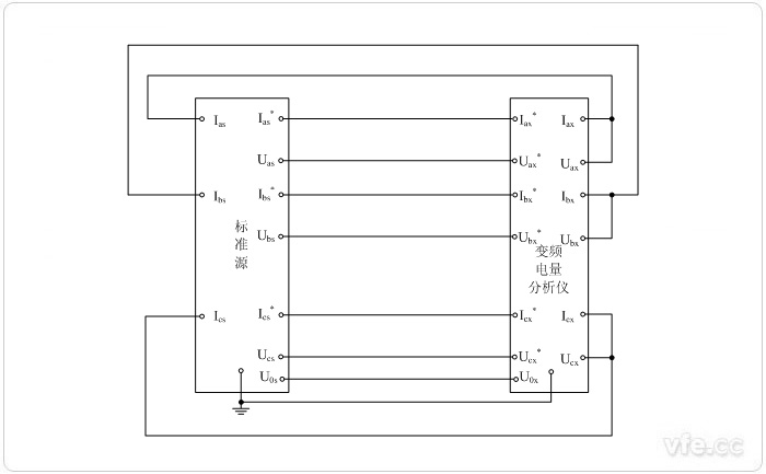
变频电量分析仪功率校准标准源法单相校准接线与图1相同,三相校准接线如图2所示,被校分析仪是三相三线制时,零线(U0S)不连接。

图1 单相功率标准源法校准接线图

图2 标准源法三相功率校准接线图
按校准点设置标准源的电压、电流、频率和功率因数输出值,读取标准源的输出功率PS和被校分析仪的显示功率PX,分析仪功率示值绝对误差
按式(1)计算。
(1)
分析仪功率相对误差
按式(2)计算。
(2)
式中:
PX——被校分析仪的功率示值,W;
PS——功率标准值,W;
变频电量分析仪单相功率校准标准表校准接线如图3所示,三相功率校准标准表校准接线如图4所示,图4被校分析仪是三相三线制时,零线(U0S)不连接。

图3单相功率标准表法功率校准接线图

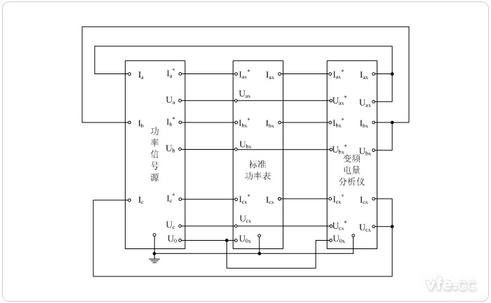
图4 三相功率标准表法功率校准接线图
按校准点设置标准源的电压、电流、频率和功率因数输出值,读取标准功率表的示值PS和被校分析仪的功率示值PX,按式(1)、式(2)计算分析仪功率基本误差。
电压、电流超出标准功率表的量程时,采用分压器、分流器扩展标准功率表的量程,校准接线如图4所示,三相分析仪的功率校准可采用相同的方法进行量程扩展。
按校准点设置功率信号源的电压、电流和功率因数输出值,读取标准功率表的示值PS和被校分析仪的功率示值PX,分析仪功率示值绝对误差
按式(3)计算。
(3)
相对误差
按式(4)计算。
(4)
式中:
PX——被校分析仪的功率读数,W;
KU ——标准分压器的分压比,V/V;
KI ——标准分流器的分流比,A/V;
PS——标准功率表读数,W。

图5 用分压器、分流器扩展量程的标准表法单相功率校准接线图
《JJF 1559-2016变频电量分析仪校准规范》的正式颁布,明确了变频功率的校准方法,改变了变频电量计量无标准可依的混乱局面,为今后变频电量计量的持续有序的发展提供保障。