当前位置:首页检测中心基础知识 │ 变频电量分析仪电压校准方法简介

变频电量分析仪电压校准方法简介

  • 浏览次数:7475次
  • 发布时间:2016/4/7 16:41:51
  • 作者:银河电气

  自《JJF 1559-2016变频电量分析仪校准规范》正式颁布开始,变频电量分析仪有了规范的校准方法,打破之前混乱的计量校准局面,本文根据《JJF 1559-2016变频电量分析仪校准规范》,对变频电量分析仪电压校准方法进行介绍。

  根据《JJF 1559-2016变频电量分析仪校准规范》,电压的校准方法包括标准源法和标准表法,实际使用时,可以根据情况选择合适的方法进行实验。

变频电量分析仪电压校准点的选择

  在变频电量分析仪电压量程范围内(包括量程上限值在内)均匀选取不少于5个电压校准点,多电压量程分析仪的各量程不少于2个点,优先选择满量程、1/2量程、1/3量程;电压信号频率选择不少于3个点,优先选择上限频率、下限频率和参考频率或者典型频率。

变频电量分析仪电压校准标准源法

标准源法电压校准接线图

图1 标准源法电压校准接线图

  变频电量分析仪电压校准标准源法接线图如图1所示,调节标准源的电压、频率输出至校准点,读取标准源的电压输出值US和被校分析仪电压显示值UX,则被校分析仪电压示值绝对误差按式(1)计算。

 子夜无人免费观看     (1)

  相对误差按式(2)计算。

  子夜无人免费观看     (2)

  式中:

  子夜无人免费观看——分析仪电压测量显示值,V;

  子夜无人免费观看——电压标准值,V。

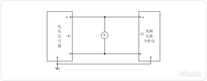
变频电量分析仪电压校准标准表法

01校准点电压在标准电压表量程范围内

  校准接线如图2 所示。调节电压信号源的电压、频率输出至校准点,读取标准电压表示值US和被校分析仪示值UX,则被校分析仪电压示值误差按式(1)、式(2)进行计算。

变频电量分析仪标准表法电压校准接线图

图2 变频电量分析仪标准表法电压校准接线图

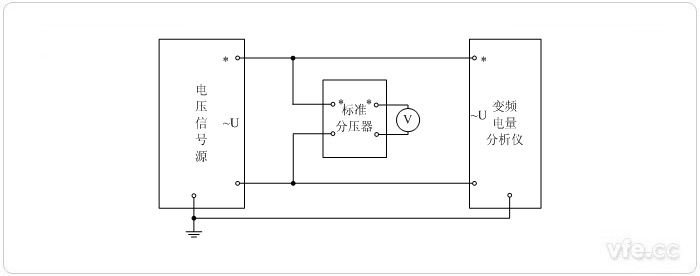
02校准点电压超出标准电压表量程

  采用分压器或电压互感器扩展标准电压表量程的校准接线如图3 所示。调节信号源的电压、频率输出至校准点,读取标准电压表示值US和被校分析仪电压示值UX,则被校分析仪电压示值绝对误差按式(3)计算。

  14     (3)

  相对误差按式(4)计算。

  子夜无人免费观看     (4)

  式中:

  子夜无人免费观看——分析仪电压测量显示值,V;

  KU ——标准分压器的分压比,V/V;

  子夜无人免费观看——标准电压表读数,V。

分压器扩展量程的标准表法电压校准接线图

图3 分压器扩展量程的标准表法电压校准接线图

  变频电量分析仪电压标准源校准法和标准表校准法两种校准方法完全不同,但是均为国标规定的方法,在计量实验时,根据实验室设备或者环境选择合适的方法 。


Copyright 2010-2017 , All Rights Reserved 子夜无人免费观看 版权所有 湘ICP备09002592号-5