当前位置:首页银河百科 │ 转速传感器

转速传感器

  • 浏览次数:20911次
  • 发布时间:2015/12/7 17:37:41
  • 作者:银河电气
定义
转速传感器是将旋转物体的转速转换为电量输出的传感器。
1
转速传感器分类及原理

01光电转速传感器

  光电式转速传感器对转速的测量,主要是通过将光线的发射与被测物体的转动相关联,再以光敏元件对光线的进行感应来完成的。光电式转速传感器从工作方式角度划分,分为透射式光电转速传感器和反射式光电转速传感器两种。

投射式光电转速传感器原理示意图

图示:投射式光电转速传感器原理示意图

  投射式光电转速传感器设有读数盘和测量盘,两者之间存在间隔相同的缝隙。投射式光电转速传感器在测量物体转速时,测量盘会随着被测物体转动,光线则随测量盘转动不断经过各条缝隙,并透过缝隙投射到光敏元件上。投射式光电转速传感器的光敏元件在接收光线并感知其明暗变化后,即输出电流脉冲信号。投射式光电转速传感器的脉冲信号,通过在一段时间内的计数和计算,就可以获得被测量对象的转速状态。

反射式光电转速传感器原理示意图

图示:反射式光电转速传感器原理示意图

  反射式光电转速传感器是通过在被测量转轴上设定反射记号,而后获得光线反射信号来完成物体转速测量的。反射式光电转速传感器的光源会对被测转轴发出光线,光线透过透镜和半透膜入射到被测转轴上,而当被测转轴转动时,反射记号对光线的反射率就会发生变化。

  反射式光电转速传感器内装有光敏元件,当转轴转动反射率增大时,反射光线会通过透镜投射到光敏元件上,反射式光电转速传感器即可发出一个脉冲信号,而当反射光线随转轴转动到另一位置时,反射率变小光线变弱,光敏元件无法感应,即不会发出脉冲信号。

02变磁阻式转速传感器

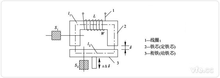
变磁阻式传感器原理示意图

图示:变磁阻式传感器原理示意图

  变磁阻式转速传感器属于变磁阻式传感器,它是利用线圈自感量的变化来实现测量的,它由线圈、铁芯和衔铁三部分组成。铁芯和衔铁由导磁材料如硅钢片或坡莫合金制成,在铁芯和衔铁之间有气隙,传感器的运动部分与衔铁相连。当被测量变化时,使衔铁产生位移,引起磁路中磁阻变化,从而导致电感线圈的电感量变化,因此只要能测出这种电感量的变化,就能确定衔铁位移量的大小和方向。

  变磁阻式传感器的三种基本类型,电感式传感器、变压器式传感器和电涡流式传感器都可制成转速传感器。电感式转速传感器应用较广,它利用磁通变化而产生感应电势,其电势大小取决于磁通变化的速率。这类传感器按结构不同又分为开磁路式和闭磁路式两种。开磁路式转速传感器结构比较简单,输出信号较小,不宜在振动剧烈的场合使用。闭磁路式转速传感器由装在转轴上的外齿轮、内齿轮、线圈和永久磁铁构成,内、外齿轮有相同的齿数。当转轴连接到被测轴上一起转动时,由于内、外齿轮的相对运动,产生磁阻变化,在线圈中产生交流感应电势。测出电势的大小便可测出相应转速值。

03电容式转速传感器

  电容式转速传感器属于电容式传感器,有面积变化型和介质变化型两种。

变面积型电容式转速传感器原理示意图

图示:变面积型电容式转速传感器原理示意图

  如上图所示是面积变化型的原理,图中齿轮外沿面作为电容器的动极板,当电容器定极板与齿顶相对时,电容量最大,而与齿隙相对时,电容量最小。因此,电容量的变化频率应与齿轮的转频成正比。

介质变化型电容式转速传感器原理示意图

图示:介质变化型电容式转速传感器原理示意图

  如上图所示,介质变化型是在电容器的两个固定电极板之间嵌入一块高介电常数的可动板而构成的。可动介质板与转动轴相连,随着转动轴的旋转,电容器板间的介电常数发生周期性变化而引起电容量的周期性变化,其速率等于转动轴的转速。

  图中电容式转速传感器由两块固定金属板和与转动轴相连的可动金属板构成。如图中所示可动金属板处于电容量最大的位置,当转动轴旋转180°时则处于电容量最小的位置,电容量的周期变化速率即为转速。可通过直流激励、交流激励和用可变电容构成振荡器的振荡槽路等方式得到转速的测量信号。

04霍尔转速传感器

  霍尔转速传感器的主要工作原理是霍尔效应,也就是当转动的金属部件通过霍尔传感器的磁场时会引起电势的变化,通过对电势的测量就可以得到被测量对象的转速值。霍尔转速传感器的主要组成部分是传感头和齿圈,而传感头又是由霍尔元件、永磁体和电子电路组成的。

霍尔转速传感器原理示意图

图示:霍尔转速传感器原理示意图

  霍尔转速传感器在测量机械设备的转速时,被测量机械的金属齿轮、齿条等运动部件会经过传感器的前端,引起磁场的相应变化,当运动部件穿过霍尔元件产生磁力线较为分散的区域时,磁场相对较弱,而穿过产生磁力线较为集中的区域时,磁场就相对较强。霍尔转速传感器就是通过磁力线密度的变化,在磁力线穿过传感器上的感应元件时,产生霍尔电势。霍尔转速传感器的霍尔元件在产生霍尔电势后,会将其转换为交变电信号,最后传感器的内置电路会将信号调整和放大,输出矩形脉冲信号。

  霍尔转速传感器的测量必须配合磁场的变化,因此在霍尔转速传感器测量非铁磁材质的设备时,需要事先在旋转物体上安装专门的磁铁物质,用以改变传感器周围的磁场,这样霍尔转速传感器才能准确的捕捉到物质的运动状态。霍尔转速传感器主要应用于齿轮、齿条、凸轮和特质凹凸面等设备的运动转速测量。高转速磁敏电阻转速传感器除了可以测量转速以外,还可以测量物体的位移、周期、频率、扭矩、机械传动状态和测量运行状态等。霍尔转速传感器目前在工业生产中的应用很是广泛,例如电力、汽车、航空、纺织和石化等领域,都采用霍尔转速传感器来测量和监控机械设备的转速状态,并以此来实施自动化管理与控制。

05测速发电机

  测速发电机是一种检测机械转速的电磁装置,它能把机械转速变换成电压信号,其输出电压与输入的转速成正比关系,在自动控制系统和计算装置中通常作为测速元件、校正元件、解算元件和角加速度信号元件等。常见的测速发电机有直流测速发电机、空心杯转子异步测速发电机、笼式转子异步测速发电机和同步测速发电机几种,尤其是空心杯转子异步测速发电机是目前最为广泛应用的测速发电机,下面对空心杯转子异步测速发电机测速原理介绍。

空心杯异步测速发电机原理示意图

图示:空心杯异步测速发电机原理示意图

  空心杯转子可以看成一个鼠笼导条数目很多的鼠笼转子。当电机的励磁绕组加上频率为ƒ的交流电压Uf,则在励磁绕组中就会有电流If通过,并在内外定子间的气隙中产生脉振磁场。脉振的频率与电源频率ƒ相同,脉振磁场的轴线与励磁绕组Wf的轴线一致。

  当转子静止(n=0)时,转子杯导条与脉振磁通Φd相匝链,并产生感应电动势。这时励磁绕组与转子杯之间的电磁耦合情况和变压器一次侧和二次侧的情况完全一样。因此,脉振磁场在励磁绕组和转子杯中分别产生的感应电动势称为变压器电动势。

  若忽略励磁绕组Wf的电阻R1及漏抗X1,则根据变压器的电压平衡方程式,电源电压Uf与励磁绕组中的感应电动势Ef相平衡,电源电压的大小近似地等于感应电动势的大小,即

1

  又因为Ef∝Φd,故:

2

  所以电源电压Uf一定时,磁通Φd也基本保持不变。由于输出绕组的轴线与励磁绕组的轴线相差90°电角度。因此,磁通Φd与输出绕组无匝链,不会在输出绕组中产生感应电动势,输出电压U2为零。

  当转子以转速n转动时,转子杯中除了上述变压器电动势外,转子杯导条切割磁通Φd而产生切割电动势Er(或称旋转电动势)。电于磁通Φd为脉振磁通,所以电动势Er亦为交变电动势。其交变的频率为磁通Φd的脉振频率ƒ。它的大小为

3

  式中:C2为电动势比例常数。

  若磁通Φ&d的幅值为恒定时,则电动势Er与转子的转速n成正比关系。 由于转子杯为短路绕组,电动势Er在转子杯中产生短路电流Ir,电流Ir也是频率为ƒ的交变电流,其大小正比于电动势Er。若忽略转子杯中漏抗的影响,电流Ir在时间相位上与转子杯电动势Er同相位,即在任一瞬时,转子杯中的电流方向与电动势方向一致。

  当然,转子杯中的电流rIr也要产生脉振磁通Φq,其脉振频率仍为ƒ,而大小则正比于电流Ir,即

4

  无论转速如何,由于转子杯上半周导体的电流方向与下半周导体的电流方向总相反,而转子导条沿着圆周又是均匀分布的。因此,转子杯中的电流Ir产生的脉振磁通Φq在空间的方向总是与磁通Φd垂直,而与输出绕组W2的轴线方向一致。Φq将在输出绕组中感应出频率为ƒ的电动势E2,从而产生测速发电机的输出电压U2,它的大小正比与Φq,即

6

  因此,当测速发电机励磁绕组加上电压Uf,电机以转速n旋转时,测速发电机的输出绕组将产生输出电压U2。它的频率和电源频率ƒ相同,与转速n的大小无关;输出电压的大小与转速n成正比。当电机反转时,由于转子杯中的电动势、电流及其产生的磁通的相位都与原来相反,因而输出电压U2的相位也与原来相反。这样,异步测速发电机就可以很好地将转速信号变换成电压信号,实现测速的目的。

06旋转变压器

  旋转变压器(resolver/transformer)是一种电磁式传感器,又称同步分解器。它是一种角度或速度测量的信号电机,由定子和转子组成,其中定子绕组作为变压器的原边,接受励磁电压,励磁频率通常用400、3000及5000HZ等;转子绕组作为变压器的副边,通过电磁耦合得到感应电压。

  旋转变压器的工作原理和普通变压器基本相似,区别在于普通变压器的原边、副边绕组是相对固定的,所以输出电压和输入电压之比是常数,而旋转变压器的原边、副边绕组则随转子的角位移发生相对位置的改变,因而其输出电压的大小随转子角位移而发生变化,输出绕组的电压幅值与转子转角成正弦、余弦函数关系,或保持某一比例关系,或在一定转角范围内与转角成线性关系。旋转变压器在同步随动系统及数字随动系统中可用于传递转角或电信号;在解算装置中可作为函数的解算之用,故也称为解算器。

  旋转变压器一般有两极绕组和四极绕组两种结构形式。两极绕组旋转变压器的定子和转子各有一对磁极,四极绕组则各有两对磁极,主要用于高精度的检测系统。除此之外,还有多极式旋转变压器,用于高精度绝对式检测系统。

07新型感应式转速计

  子夜无人免费观看开展了采用感应法测量电潜泵机组转速新方法的研究,并成功研制了DM4022感应式转速计。经过多次对比试验,新研制的测速系统的转速测量精度可达到0.1%,这套系统的研制成功,为电潜泵机组的测速提供了最为准确和可行的方法。

  DM4022感应式转速计的设计思路为:异步电动机的转子在旋转磁场中由切割磁力线产生感应电流的频率,是电动机转子频率和电动机定子电压频率的差频。此差频乘以60就得到异步电动机的转差,由电网频率也乘以60得到电动机的同步转速,由同步转速减去转差就得到了电动机的异步转速。

  以工频潜水泵机组为例,感应式传感器感应的差频即为电潜泵电动机的转子电流频率,当电动机不旋转时,其转子产生的感应电流的频率就是电动机转子频率和电动机定子电压频率的差频,即50Hz,再乘以60,得到异步电动机的转差为3000r/min,电网频率50Hz乘以60得到电动机的同步转速,3000r/min减去转差3000r/min,就得到了电动机的转速0r/min,表明潜水泵电动机不旋转。

新型感应式转速计应用示意图

图示:新型感应式转速计应用示意图

2
转速传感器应用

  转速传感器的种类繁多、应用极广,自动控制系统和自动化仪表中大量使用各种电机,在各种场合下对低速(如每小时一转以下)、高速(如每分钟数十万转)、稳速(如误差仅为万分之几)和瞬时速度的精确测量有严格的要求,都需要应用到转速传感器测量。


上一篇:电焊机

下一篇:柴油发电机

Copyright 2010-2017 , All Rights Reserved 子夜无人免费观看 版权所有 湘ICP备09002592号-5