

斩波器是一种将电压值固定的直流电,转换为另一固定电压或可调电压的装置,一般是指直流对直流的转换。斩波电路是斩波器的核心组成部分,负责将输入电压转换成目标输出电压。根据输入输出电压大小、极性,斩波电路可分为降压斩波电路、升压斩波电路、升降压斩波电路、Cuk斩波电路、Sepic斩波电路、Zeta斩波电路等,下面本文主要介绍以上几种斩波电路的工作原理。
一降压斩波电路

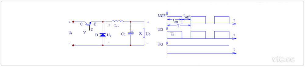
图1:降压斩波电路(Buck Chopper)原理图及波形图
如上图1:降压斩波电路原理图及波形图所示,图中V为全控型器件,选用IGBT;D为续流二极管。由图1中V的栅极电压波形UGE可知,当V处于通态时,电源Ui向负载供电,UD=Ui。当V处于断态时,负载电流经二极管D续流,电压UD近似为零,至一个周期T结束,再驱动V导通,重复上一周期的过程。负载电压的平均值为:

式中ton为V处于通态的时间,toff为V处于断态的时间,T为开关周期,α为导通占空比,简称占空比或导通比(α=ton/T)。由此可知,输出到负载的电压平均值UO最大为Ui,若减小占空比α,则UO随之减小,由于输出电压低于输入电压,故称该电路为降压斩波电路。
二升压斩波电路

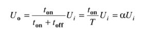
图2:升压斩波电路(Boost Chopper)原理图及波形图
如上图2:升压斩波电路原理图及波形图所示,电路也使用一个全控型器件V。由图2中V的栅极电压波形UGE可知,当V处于通态时,电源Ui向电感L1充电,充电电流基本恒定为I1,同时电容C1上的电压向负载供电,因C1值很大,基本保持输出电压UO为恒值。设V处于通态的时间为ton,此阶段电感L1上积蓄的能量为Ui*I1*ton。当V处于断态时Ui和L1共同向电容C1充电,并向负载提供能量。设V处于断态的时间为toff,则在此期间电感L1释放的能量为(UO-Ui)*I1*toff。当电路工作于稳态时,一个周期T内电感L1积蓄的能量与释放的能量相等,即:

上式中的T/toff≥1,输出电压高于电源电压,故称该电路为升压斩波电路。
三升降压斩波电路

图3:升降压斩波电路(Boost-Buck Chopper)原理图及波形图
如上图3:升降压斩波电路原理图及波形图所示,电路的基本工作原理是:当可控开关V处于通态时,电源Ui经V向电感L1供电使其贮存能量,同时C1维持输出电压UO基本恒定并向负载供电。此后,V关断,电感L1中贮存的能量向负载释放。可见,负载电压为上负下正,与电源电压极性相反。输出电压为:

若改变导通比α,则输出电压可以比电源电压高,也可以比电源电压低。当0<α<1/2时为降压,当1/2<α<1时为升压。
四Cuk斩波电路

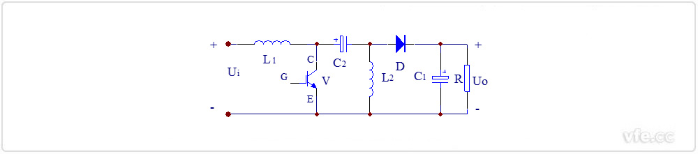
图4:Cuk斩波电路原理图
如上图4:Cuk斩波电路原理图所示,电路的基本工作原理是:当可控开关V处于通态时,Ui—L1—V回路和负载R—L2—C2—V回路分别流过电流。当V处于断态时,Ui—L1—C2—D回路和负载R—L2—D回路分别流过电流,输出电压的极性与电源电压极性相反。输出电压为:

若改变导通比α,则输出电压可以比电源电压高,也可以比电源电压低。当0<α<1/2时为降压,当1/2<α<1时为升压。
五Sepic斩波电路

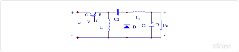
图5:Sepic斩波电路原理图
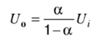
如上图5:Sepic斩波电路:原理图所示,电路的基本工作原理是:可控开关V处于通态时,Ui—L1—V回路和C2—V—L2回路同时导电,L1和L2贮能。当V处于断态时,Ui—L1—C2—D—R回路及L2—D—R回路同时导电,此阶段Ui和L1既向R供电,同时也向C2充电,C2贮存的能量在V处于通态时向L2转移。输出电压为:

若改变导通比α,则输出电压可以比电源电压高,也可以比电源电压低。当0<α<1/2时为降压,当1/2<α<1时为升压。
六Zeta斩波电路

图6:Zeta斩波电路原理图
如上图6所示:Zeta斩波电路原理图所示,电路的基本工作原理是:当可控开关V处于通态时,电源Ui经开关V向电感L1贮能。当V处于断态后,L1经D与C2构成振荡回路,其贮存的能量转至C2,至振荡回路电流过零,L1上的能量全部转移至C2上之后,D关断,C2经L2向负载R供电。输出电压为:

若改变导通比α,则输出电压可以比电源电压高,也可以比电源电压低。当0<α<1/2时为降压,当1/2<α<1时为升压。