

对电压的测量是工业生产中最为重要的方面之一,比如:电能在生产、输送、分配和使用的各个环节中,必须对电能质量、各种电气设备及电路的运行状态进行监视、控制和管理,另外也通过对电压状态的监视来实现对电力系统的控制和管理。
电压的测量设备主要有:电磁式电压互感器、霍尔电压传感器、分压式电压传感器以及新型电压传感器。
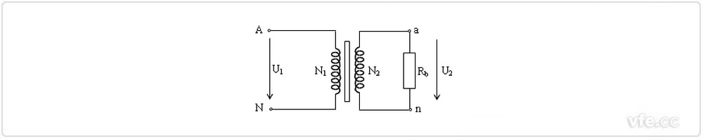
一电磁式电压互感器
电磁式电压互感器的原理和变压器是类似的,由铁芯、原边线圈、副边线圈组成,原边并联接入测量线路,当原边线圈上施加一次电压U1时,副边线圈会感应出二次电压U2。测量仪表对二次电压U2的测量,即可得到被测线路的电压U1。
电压互感器实现了对原边电压的隔离测量,但是由于其基于变压器的原理,存在着许多的明显缺陷:
1、当原边需要测量高电压时,电压互感器的受到线圈的匝数以及铁芯大小的制约,体积将会做得非常大。
2、电压互感器存在电感线圈和铁芯,所以其频带不宽,一般只能用于工频50Hz或其它额定频率测量,并且具有谐振、输出端不能短路等问题。

图1 电压互感器原理图
二霍尔电压传感器
霍尔电压传感器主要包括初级线圈、磁环、次级线圈、放大电路及与初级线圈串联的限流电阻R。原边电压通过外置或内置电阻,将电流限制在毫安级,此电流经过多匝绕组之后,经过磁环将原边电流产生的磁场被气隙中的霍尔元件检测到,并感应出相应电动势,该电动势经过电路调整后反馈给补偿线圈进而补偿,该补偿线圈产生的磁通与原边电流(被测电压通过限流电阻产生)产生的磁通大小相等,方向相反,从而在磁芯中保持磁通为零。霍尔电压传感器的原理如图2所示。

图2 霍尔电压传感器原理图
霍尔电压传感器也存在着缺陷:测量电压等级越高,传感器的带宽越窄。例如:某款6400V霍尔电压传感器的带宽仅700Hz,当用于变频电量测量时,局限性非常大。
三分压式电压传感器
分压式电压传感器有电阻分压式和电容分压式,将初级电压直接转化为测量仪表可用的低电压信号。电阻分压式由于没有谐振问题,性能优于电容式分压器。
电阻分压式电压传感器与电磁式电压互感器相比,没有铁芯磁饱和的缺点,并且允许短路。
分压器由高压臂电阻R1和低压臂电阻R2组成,电压信号在低压侧测量,为防止低压部分出现过电压,保护二次侧测量装置,必须在低压电阻上加装一个放电管或稳压管,使其放电电压恰好略小于或等于低压侧允许的最大电压。其中U1为高压侧输入电压,U2为低压侧输出电压,分压器原理如图3所示。

图3 电阻分压式电压传感器原理图
电阻分压式电压传感器的缺点:
1、对分压电阻要求具有稳定的温度特性、较小的阻值误差、高的耐压值。
2、分压器的高压电阻与周围的地电位物体存在电势差,会产生分压器对地的杂散电容,造成误差。需要对高压端作相应的屏蔽措施。
3、分压测量模式,高压侧与低压侧没有隔离,存在安全隐患,需要相应的保护措施。
四新型数字式电压传感器
01光纤电压传感器
光纤电压传感器是基于电光效应,在电场或电压的作用下透过某些物质(如电光晶体)的光会发生双折射,而双折射两光波之间的相位差与外施电压(即被测电压)成正比,通过的鉴相器检测光波相位差来实现对外电压的测量。原理如图4所示。其中,1为光纤,2为起偏器,3为玻片,4为电光晶体,5为检偏器。

图4 光纤电压传感器原理图
光功率的波动、温度的变化对测量都存在不同程度的影响;且传感器结构复杂,所要求的工艺水平较高,长期运行的可靠性和稳定性也是需要解决的问题。
02组合式电压电流传感器
随着科学技术的发展,出现了将电流、电压传感器集于一身的组合式电流电压传感器。组合式传感器结合了现代传感器技术、数字技术与光纤通信技术,同时采集电流、电压信号,在传感器内部完成将模拟量转换为数字量,通过光纤输出。其中以银河电气SP系列变频功率传感器为代表。

图5 SP变频功率传感器原理图
SP变频功率传感器主要包括电压敏感元件、电流敏感元件、一次转换电路、隔离工作电源、光电转换电路及光纤传输系统等构成。电压敏感元件及电流敏感元件接收来自一次线路的高电压、大电流信号,变换为一次转换电路可以接受的低电压、小电流模拟信号,一次转换电路将模拟信号转换为数字信号,数字信号经过光电转换电路通过光纤传输系统与数据处理及显示单元通讯。
随着变频调速技术在电机驱动中的应用越来越广,互感器已经无法应对变频电量的测量。相对于其它形式的电压传感器而言,SP变频功率传感器具有宽频带、交直流两用、电磁兼容性强、隔离性能好、测量精度高、性能稳定等优点,成为变频电量计量的主要测量装置。
上一篇:热电偶中间导体定律的证明
下一篇:详解电动汽车用电机