

罗氏线圈(Rogowski线圈)又叫电流测量线圈、微分电流传感器,主要用于测量交流电流。罗氏线圈工作原理是线圈骨架围绕被测导体,导体周围的磁场会随着导体中电流的改变而改变,骨架上的漆包线会因此感应出电动势。根据数学推导,该电动势与导体中电流的导数成正比,而比例系数跟线圈匝数、骨架横截面、磁导通率等有关,将该电动势积分运算后可还原导体中的电流。一个完整的罗氏线圈电流测量系统应该包括一个线圈和一个积分器,下面我们通过对线圈及积分器的介绍,让大家对罗氏线圈工作原理有一个详尽的了解。
一罗氏线圈工作原理

图示:罗氏线圈探头基本结构原理示意图
罗氏线圈是一种空心环形的线圈,有柔性和硬性两种,可以直接套在被测量的导体上来测量交流电流。其设计基本原理如上图所示:
罗氏线圈测量电流的理论依据是法拉第电磁感应定律和安培环路定律,当被测电流沿轴线通过罗氏线圈中心时,在环形绕组所包围的体积内产生相应变化的磁场,强度为H,由安培环路定律得:
∮H·dl=I(t)
由B=μH,e(t)=dΦ/dt,Ф=N∫B·dS,e(t)=M·di/dt,得:
其截面为矩形时,互感系数M和自感系数L分别为:
M=μ0Nhln(b/a)/2π
L=μ0N^2hln(b/a)/2π
上式中,H为线圈内部的磁场强度,B为线圈内部的磁感应强度,μ为真空磁导率,N为线圈匝数,e(t)为线圈两端的感应电压a、b分别为线圈横截面的内外径,h为截面高度。由此可见,线圈一定时,M为定值,线圈的输出电压与di/dt成正比。
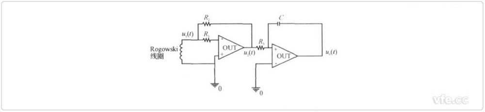
二积分器工作原理
若想准确将罗氏线圈的线圈感应电动势输出还原为测量的交流电流i,还必须加一个反相积分电路。因罗氏线圈感应出的电压很小,为了放大该感应电压,须在积分器前面加一放大电路。积分是一个非常重要的环节,被还原的信号非常小,为方便测量,先将信号放大再积分,这样一方面可以增大还原信号,另一方面,电容的存在可以过滤掉不必要的干扰。积分器通过对罗氏线圈感应电压的放大和积分处理,可还原出所测量的交流电流。放大积分电路原理图如下所示:

图示:放大积分电路原理示意图