

变频器是对交流电整流然后逆变改变其电压大小和频率,为交流电机提供工作所需的电压及频率的电力控制设备。
根据输出电压波形的类型,常见有二电平变频器、三电平变频器,以及还有多电平变频器。工作原理都是通过控制开关器件的开通和关断来提供所需的电压及频率,工作电压低于690V的低压变频器通常采用二电平的结构,应用于高电压等级、大容量场合的高压变频器通常采用三电平等多电平结构。
一二电平变频器
一般二电平变频器主电路结构如图1所示。这种变频器是在一般电机调速中应用的非常多,主电路也是最为常见的整流—滤波—逆变结构。

图1 二电平变频器主电路结构
二电平变频器输出波形如图二所示。

图2 二电平变频器输出波形
从图上可以看到,二电平变频器输出为0,V两种电平。V的电压值等于变频器内部直流母线的电压。
二三电平变频器
应用于高电压、大功率场合的变频器,对其内部的开关器件提出了更高的耐压要求。高压大电流开关器件普遍价格昂贵,并且开关器件的耐压水平有限,有些场合并不能找到相应完全适用的器件。传统的解决办法是采用开关器件的串并联来满足大电压、大电流的要求,但是这种方式存在诸多的问题,所以如今很少采用这种方式。
随着电路拓扑结构的研究,发展出了采用中性点钳位的多电平变频器。多电平结构能有效的降低对开关器件的耐压等级的需求,提高变频器的输出电压等级。
三电平、四电平等多电平变频器主电路的区别为开关器件、钳位二极管或钳位电容数量的不同,电平数越多,对开关器件耐压等级的需求越低,但是相应对开关器件数量的需求会越多。
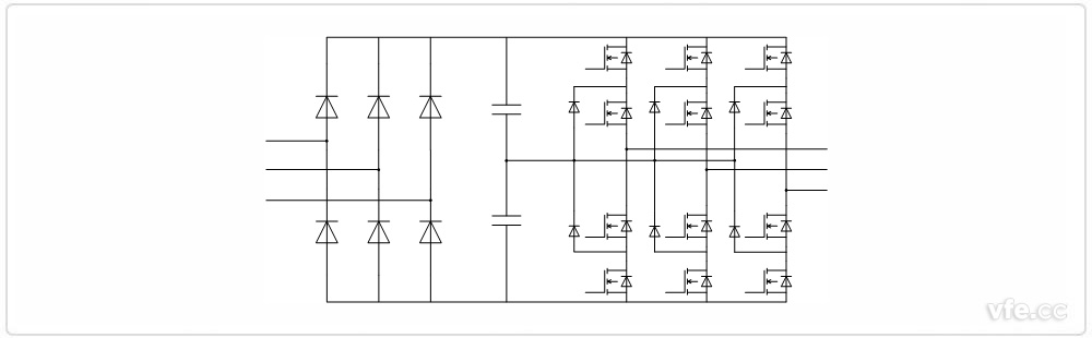
以三电平变频器为例,主电路如图3所示。每一个桥臂有4个开关器件,4个续流二极管和2个钳位二极管。两个串联开关器件的中点通过钳位二极管和直流侧电容的中点相连接,每个开关器件承受的电压为直流母线电压的一半。钳位二极管的作用是在开关器件导通时提供电流通道防止电容短路。

图3 三电平变频器主电路结构
三电平变频器输出波形如图4所示。三电平顾名思义就是输出电压有三种电平:0,V/2,V。V的电压值等于变频器内部直流母线的电压。

图4 三电平变频器输出波形
多电平的变频器输出波形是类似的,随着电平数的增加,每个开关器件对耐压水平的需求相对下降,并且每个开关器件的开关频率也随着下降,从而使变频器的损耗减小,提高输出电压等级,显著提高变频器的性能指标。
下一篇:电机试验波形大全